Go To Table of Contents
|
BRL 1961, NAREC, start page 0676
|
NAREC
Naval Research Electronic Computer
MANUFACTURER
U. S. Naval Research Laboratory
Official United States Navy Photo
APPLICATIONS
General purpose scientific calculation and data processing.
PROGRAMMING AND NUMERICAL SYSTEM
Internal number system Binary
Binary digits/word 48
Binary digits/instruction 24
Instructions/word 2
Instructions decoded 44
Arithmetic system Fixed point
Instruction type One address
Number range -1 to +1
Instruction word format
+------+------+------+------+-------+------+
| Address | order |
+------+------+------+------+-------+------+
| 4 | 4 | 4 | 4 | 4 | 4 |
+------+------+------+------+-------+------+
Half-word, six four-bit sexadecimal characters
Automatic built-in subroutines include punched tape input
and output routines and variable length data transfer
instructions (2 address).
Automatic coding includes floating point interpretive
routines, containing standard mathematical subroutines as basic
instructions.
Registers:
7 - 48 bit parallel registers in arithmetic section, including one
adder and one inverter of which two are directly
programmable.
1 - 48 bit parallel register in control section
1 -16 bit parallel register in control section
(program counter)
1 -48 bit serial - parallel output buffer register
2 -48 bit multiple use comparator registers
1 -48 bit core memory information register
1 -14 bit core memory address register
2 -48 bit and 1 - 16 bit manual switch registers
ARITHMETIC UNIT
Incl. Stor. Access Exclud. Stor. Access
Microsec Microsec
Add 22 6
Mult 300-600 same (approx range)=450
Div 575-725 same (approx range)=650
Division = 10 per digit (excluding access) for
numerator = 0
Construction (Arithmetic unit only)
Type Quantity
Vacuum tubes
5687 600
5670 600
6AN5 100
Total 1,300
Transistors O
Crystal diodes 16,000
Arithmetic mode Parallel
Timing Asynchronous
Operation Sequential
Input-output is partially concurrent
|
BRL 1961, NAREC, start page 0677
|
STORAGE
No. of No. of
Media Words Digits
Magnetic core 16,384 786,432
Memory cycle time is 8 microseconds
Magnetic drum 8,192 393,216
Maximum drum access is 33,333 microseconds
Magnetic tape
No. of units that can be connected 16 Units
No. of chars/linear inch 600 Chars/inch
Each line across the tape contains 2 characters
of 8 bits each. Packing density = 300 lines/inch.
Channels or tracks on the tape 16 Tracks/tape
Blank tape separating each record .75 Inches
Tape speed 120 Inches/sec
Transfer rate 72 KC Chars/sec
Start time 3 Millisec
Stop time 2 Millisec
Physical properties of tape
Width 1 Inch
Length of reel 2400-3600Feet
Composition Mylar
The above information on magnetic tape is preliminary only, as
definite plans are now being formulated. The tape system should
be installed in the NAREC by July 1961.
INPUT
Media Speed
Magnetic Tape 120 in/sec
Paper Tape 25-100 in/sec
Dual speed photoelectric reader at 250 and 1000 char/sec
using mylar-aluminum foil and paper tape.
OUTPUT
Media Speed
Paper Tape 60-110 char/sec
High and medium speed paper tape punches
Magnetic Tape 120 in/sec
Line Printer
Line Printer will be installed by July 1961.
Speed of 600-1200 lines/minute is anticipated.
CIRCUIT ELEMENTS OF ENTIRE SYSTEM
Type Quantity
Tubes
5687 600
5670 600
6AN5 100
----
1,300
Does not include electrostatic memory which is being
replaced by magnetic core memroy.
Diodes
1N89 16,000
SG22 1,800
DR211 7,000
1N690 4,000
650C5 250 Zener Diodes
651C0 350 (Texas Instruments)
651C7 600
------
30,000
1N89 used in arithmetic section. All others used in magnetic
core memory.
Transistors
2N1478 1,000
2N600 500
2N1122 3,000
2N123 300
-----
4,800
All Philco transistors are used in Telemeter Magnetics Core
Memory.
Magnetic Cores
.050 inch x .030 inch 900,000
Telemeter Magnetics 501-10
Capacitors 10,000(core memory)
3,000 (arith. section)
------
13,000
Resistors 20,000 (core memory)
7,000 (arith. section)
-------
27,000
CHECKING FEATURES
Automatic comparison bit by bit of all transfers between
registers in arithmetic and control sections by means of 2 - 48
bit comparator registers.
Magnetic tape system will have conventional parity checks
and sense instructions.
POWER, SPACE, WEIGHT, AND SITE PREPARATION
Power, computer 25 Kw
Power, air conditioner 15 Kw
Volume, computer 1,000 cu ft
Area, computer 125 sq ft
Room size, computer 30 ft x 80 ft
Capacity, air conditioner 25 Tons
Weight, computer 5,000-10,000 lbs
Site preparation included concrete trenches in floor for power
wiring and coaxial cables. Power includes both M-G sets and
electronic power supplies.
PRODUCTION RECORD
Number produced to date 1
Number in current operation 1
COST, PRICE AND RENTAL RATES
Total system cost approximately $1,500,000.
PERSONNEL REQUIREMENTS
One 8-Hour Shift Two 8-Hour Shifts
Supervisors 2 2
Programmers 10 20
Clerks 2 2
Engineers 1 2
Technicians 3 5
Operation tends toward semi-open shop. Includes
programmers in central facility and in other groups of the
Laboratory. Programmers above includes analysts and
coders. The above does not provide for magnetic tape or
printer operation. Technicians above includes operators.
Training made available by manufacturer includes in-service
programming courses by Research Computation Center for rest
of the NRL.
RELIABILITY, OPERATING EXPERIENCE,
AND TIME AVAILABILITY
Approximately 1 hour per shift is required for scheduled
maintenance.
Operating efficiency (ratio of good time to scheduled
operating time) has averaged 85'% over the past four years
(1956-196o) of full time operation. This is expected to
improve considerably in the future due to the current
replacement of electrostatic storage by magnetic core storage.
|
BRL 1961, NAREC, start page 0678
|
ADDITIONAL FEATURES AND REMARKS
Outstanding features include a special console, which
displays the contents of core memory address abd information
registers and permits direct manual read and write to core
memory locations.
Unique system advantages include computation monitored
from control console without loss of time to stop computer at
desired location or instruction in many different ways in order
to facilitate program and machine checking. Instruction code
and layout is very simple to use and remember, yet is extremely
powerful and flexible.
Flexowriters are used in parallel to print results of several
problems simultaneously. A centralized operating area consists of
photoelectric tape readers, high speed punch, Flexowriter and
core memory console adjacent to main control console.
FUTURE PLANS
Magnetic core memory installed in October 1960.
Magnetic tape system and line printer will be installed by
July 1961.
INSTALLATIONS
U. S. Naval Research Laboratory
Washington 25, D. C.
|
BRL 1961, NAREC, start page 0679
|
|
BRL 1961, NATIONAL 102A, start page 0680
|
NATIONAL 102A
National Cash Register Company
Model CRC 102A
Built by former Computer Research Company
MANUFACTURER
National Cash Register Company
Photo by U. S. Army Chemical Center
APPLICATIONS
Manufacturer
General purpose scientific applications
Chemical Warfare Laboratories, U. S. Army
Chemical Center
Scientific
U. S. Naval Ordnance Test Station (China Lake)
Data reduction general purpose
U. S. Naval Postgraduate School
Located at Monterey, California, the system is used
for scientific applications, including student and faculty
research in practically all phases of the physical sciences, for
data processing, including weather prediction, and for
simulation, including electronics systems and games (business,
industrial and military).
Holloman Air Development Center (ARDC) Trajectory
calculations, heat transfer problems, solution of various kinds of
linear simultaneous equations and other algebraic equations.
|
BRL 1961, NATIONAL 102A, start page 0681
|
Photo by U.S. Naval Post Graduate School
Official Photograph U.S. Navy
U. S. Air Force School of Aviation Medicine
Located at Brooks Air Force Base, Texas, the system
is used for matrix algebra (Covariance, symmetric and
non-symmetric mult. and inversion programs, corr),
factor analysis (Factoring the correlation matrix
and rotating the factor vector), for general analysis
statisticsvariance, and st. deviations; and
analysis of variance), time series analysis (Circular
serial correlation, autocorrelations, periodograms),
and for Monte Carlo methods, generating pseudo random
fractions (runs, means, frequency).
PROGRAMMING AND NUMERICAL SYSTEM
Manufacturer
Internal number system Binary
Binary digits/word42 (One for timing)
Binary digits/instruction 41
Instructions per word 1
Instructions decoded 27
Instructions used 27
Arithmetic system Fixed point
Instruction type Three address
Number range -(1-2-36) to (1-2-36)
ARITHMETIC UNIT
Incl Stor Access Exclud Stor Access
Microsec Microsec
Add 19,900 7,400
Mult 37,000 25,000
Div 38,500 25,800
Construction 300 Vacuum tubes
4,000 Diodes
Rapid access word registers 8
Basic pulse repetition rate 100 Kc/sec
Arithmetic mode Serial
Timing Synchronous
Operation Sequential
The speed can be increased by a factor of 8 when a buffer is
used.
STORAGE
Media Words Microsec Access
Magnetic Drum 1,024 12,500 (avg)
Magnetic Tape 112,800/reel 6,000
Up to 7 tape units may beused with one computer.
Magnetic drum rotates at 40 rev/sec.
|
BRL 1961, NATIONAL 102A, start page 0682
|
INPUT
Manufacturer
Media Speed
Flexowriter Typing Speed
Punched Paper Tape 10 char/sec
Magnetic Tape 1.6 char/millsec
U.S. Army Chemical Center
Flexowriter Typing Speed
Punched Paper Tape 10 char/sec
Magnetic Tape 64 words/sec
U.S. Naval Ordnance TestStation
Punched Paper Tape 10 char/sec
IBM Cards 523 modified) 50 cards/min
U.S. Naval Post GraduateSchool
Paper Tape 10 char/sec
Cards 60 cards/min
240 words/min
Magnetic Tape 60 words/sec
School of Aviation Medicine
Flexowriter Typing Speed
Punched Paper Tape 10 char/sec
IBM Cards 50 or 100 cards/min
Magnetic Tape 1.6 char/millisec
OUTPUT
Manufacturer
Media Speed
Magnetic Tape 600 char/sec
Flexowriter 10 char/sec
Punched Paper Tape 10 char/sec
U.S. Army Chemical Center
Magnetic Tape 64 words/sec
Flexowriter 10 char/sec
Punched Paper Tape 10 char/sec
U.S. Naval Ordnance TestStation
Flexowriter 10 char/sec
Punched Paper Tape 10 char/sec
IBM Cards (523 modified)50 cards/min
U. S. Naval Post GraduateSchool
A digital point is used, which operates independent-
ly of computer. No conversionis necessary for
plotting. The plotter is manufactured by the Cali-
fornia Computer Products Corporation.
Paper Tape 10 char/sec
Cards 60 cards/min
Magnetic Tape 60 words/sec
School of Aviation Medicine
Flexowriter 10 char/sec
Paper Tape 10 char/sec
Cards 50 or 100 cards/min
Magnetic Tape 600 char/sec
CIRCUIT ELEMENTS OF ENTIRE SYSTEM
Tubes 400
Tube types 12
Crystal diodes 8,000
U. S. Army Chemical Center Tube types used include
12AT7, 12BH7, 6BQ7, 5687, 5963, 6080, 5881, and
6AN5. System utilizes 265 tubes and 6,000 diodes and
consists of operators console, computer proper, and
magnetic tape unit.
CHECKING FEATURES
Duplicate recording on magnetic tape
"Overflow" alarm"
"No command" alarm
POWER, SPACE, WEIGHT, AND SITE. PREPARATION
Manufacturer
Power, computer 7.7 Kw
Weight, computer 2,700 lbs
U.S. Army Chemical Center Computing system occupies
135 cu ft, air conditioner 48 cu ft. The computing system
weighs 3,400 lbs, air conditioner weighs 12,000 lbs. The
capacity of the air conditioner is 6 Tons.
U.S. Naval Ordnance Station System operates a 230v
¤5% line, liberates 35,000 BTU/hour. Computer occupies 72
cu ft and 12 sq ft (Dimensions are 30 by 59 by 73 inches).
U.S. Naval Post Graduate School
Power, computer 5.5 Kw 7 7 KVA 0.71 Pf
Volume, computer 108 cu ft
Volume, air conditioner 360 cu ft
Area, computer 18 sq ft
Area, air conditioner 36 sq ft
Room sizeApprox 2,800 sq ft
Floor loading 200 lbs/sq ft
700 lbs concen max
Capacity, air conditioner25 Tons
Weight, computerApprox 2,000 lbs, total
Lobby section of one of the school buildings was partitioned.
False flooring, air conditioning and power were installed in the
laboratory section which houses two computers (CDC 1604
and NCR-CRC-102A) and their associated peripheral equipment.
School of Aviation Medicine
Power, computer 5.5 Kw7.7 KVA 0.7 pf
Volume, computer 72 cu ft
Area, computer 12 sq ft
Room size 20 ft x 12 ft
Floor loading 225 lbs/sq ft
60 lbs concen max
Capacity, air conditioner5 Tons
Weight, computer 2,700 lbs
Air conditioner central unit
System required primary power source due to sensitivity to
power fluctuations.
PRODUCTION RECORD
Manufacturer
Produced 16
Operating 16
COST, PRICE AND RENTAL RATES
U. S. Army Chemical Center
Approximate cost of basic system $70,000
Approximate cost of additional equip-
ment $25,000
Rental rates for basic system $ 2,400/month
U. S. Naval Post Graduate School
Computer, 2 tape drives, console, Flexowriter (paper tape
reader and punch), point plotter cost approximately
$100,000.
Rental rates for additional equipment, to include the 2 IBM
523, IBM 402, IBM 082, and IBM 026 is $600 per month.
Approximately $9,500 per year is paid to the National Cash
Register Company for maintenance service. School of Aviation
Medicine The 102A Computer cost approximately $80,000. The
126A Magnetic Tape Unit cost approximately $15,000. Two IBM
Summary Punches (No. 523) rent at approximately $2,100 per
year. Air Force personnel perform servicing of the system.
|
BRL 1961, NATIONAL 102A, start page 0683
|
PERSONNEL REQUIREMENTS
U. S. Army Chemical Center
One 8-hour shift requires 1 engineer and 1 technician-
operator.
U.S. Naval Ordnance Test Station
One 8-hour shift requires 1 engineer, 2 programmers, and 1
"open shop" personnel.
U. S. Naval Post Graduate School
The computers are'available for student and faculty research 24
hours per day. Those students and faculty who have been checked-
out on the operation of the computers and peripheral equipment
are permitted outof-hours production runs on the computers.
Potentially the school has approximately 1,000
programmeroperators under this system. At the present time the
CDC 1604 operates approximately 14 hours per day and the NCR
102A 20 hours per day, T days per week.
Course work is given in the Engineering School on
programming, operation and applications.
Seminars are given at the school.
School of Aviation Medicine
One 8-Hour Shift
Analysts 1
Programmers 1
Operators 1
Engineers 1
Operation tends toward open shop.
On-the-job training (OJT) is given.
Gulf Research and Development Company
Central computing section consists of 1 engineer, 1 operator,
1 secretary-librarian, and 5 administrative, numerical analysis
and programming personnel, for slightly more than an 8-hour
shift.
RELIABILITY, OPERATING EXPERIENCE,
AND TIME AVAILABILITY
U. S. Army Chemical Center
Good time 3,380 hours
Attempted to run time 5,200 hours
Operating ratio (Good/Attempted to run time) 0.65
Figures based on a 2.5 year period
Passed Acceptance Test Jun 54
U.S. Naval Ordnance Test Station
Average error-free running period 80 hours
Operating ratio (Good/Attempted to run time) 0.90
Figures based on period 1 Jan 55 to 10 Nov 56
Passed Acceptance Test 1 Jun 54
U. S. Naval Post Graduate School
Passed Acceptance TestSummer of 1953
Time is not available for rent to outside organiza-
tions.
Since August 1958, the NCR 102A has averaged in excess of
100 hours per week operating time and has averaged less than 2
hours per week of forced downtime due to equipment failure.
.Each working day there is a two hour preventive maintenance
period.
School of Aviation Medicine
Good time 36 Hour s/week (Average
Attempted to run time40 Hours/week (Average
Operating ratio (Good/Attempted to run time) 0.90
Above figures based on period from Fall 54 to 1 Jul 59
Time is not available for rent to outside organiza-
tions.
ADDITIONAL FEATURES AND REMARKS
Holloman Air Development Center (ARM )
Two systems have been in use since 1953. Additional
input/output equipment includes 3 magnetic tape units
(NCR 728), and 1 summary card punchIBM 523).
U. S. Army Chemical Center
The three-address system permits ease of programming and
coding not present in one or two address systems.
Additional features include: Bit positions available in the
structure of commands for flagging internal addresses for automatic
coding and repositioning of programmed routines. Logic designed
such that. automatic links to and fro subroutines are accomplished
easily. Large storage capacity and threeaddress commands. Tape
unit searches independently of the computer, once the block
address is set up. High speed paper tape input reader. A visual
display of the control register while computing and when idle. All
logical diodes accessible, diodes are of clip-in type, plug-in units
replaceable for repair.
U. S. Naval Post Graduate School
The system is used primarily for the education of the officers in
the Engineering School. Other computing time after normal
training hours is used by government agencies in the Monterey
area on a non-interference basis.
The plotter output is considered to be a very valuable part of
the system permitting rapid observation of results. The binary
information is plotted directly on graph paper, thus avoiding the
problem of converting to decimal. The plotter has three plotting
symbols.
Gulf Research and Development Company
Auxiliary equipment consists of: 2 NCR 126 Magnetic Tape
Units. Two Flexowriters, each capable of serving as the input-
output device for the computer. A third Flexowriter, not
modified, for input-output functions.
One IBM 514 Reproducing Punch, modified for use as an
output device.
A photoelectric paper tape system based upon a Ferranti
reader has been constructed.
Two more one-word recirculating registers have been made
addressable, making them correspond roughly to the accumulator
and Q-register of a typical oneaddress. computer.
INSTALLATIONS
Holloman Air Development Center (ARDC)
Holloman Air Force Base, New Mexico
School of Aviation Medicine
Randolph Air Force Base, Texas
Chemical Warfare Laboratories
U. S. Army Chemical Center, Maryland
U. S. Naval Ordnance Test Station
China Lake, California
U. S. Naval Post Graduate School
Monterey, California
A. V. Roe, Ltd.
Malton, Ontario, Canada
Great Lakes Pipe Line Company
Kansas City, Missouri
Gulf Research and Development
P. 0. Drawer 2038
Pittsburgh 30, Pennsylvania
Polytechnic Institute of Milan
Milan, Italy
Royal Canadian Air Force
Edmunton, Alberta, Canada
|
BRL 1961, NATIONAL 102D, start page 0684
|
NATIONAL 102D
NCR CRC Model 102 D
MANUFACTURER
The National Cash Register Company
Photo by The National Cash Register Company
APPLICATIONS
Manufacturer General purpose scientific
application
Pitman-Dunn Laboratories The system is used for general scientific
computing, to include trajectories, other differential equations, interior and
exterior ballistics, fire control problems, curvefitting, solution of algebraic
equations, simulations, etc.
The National Cash Register Company Located at the Research and
Development Division, The National Cash Register Company, Dayton, Ohio,
the system is used to support the physical and chemical investigations of the
Research and Development Division by processing experimental data
originating in the research and engineering laboratories. Work in such fields as
logical design, wiring diagrams for logical systems, cam design, and statistical
analysis of data are typical of the applications made.
PROGRAMMING AND NUMERICAL SYSTEM
Internal number systemBinary coded decimal
Decimal digits/word9 plus 6 bin dig/word
Binary digits/instruction 42
Instructions per word 1
Instructions decoded 27
Arithmetic system Fixed point
Instruction type Three address
Number range -(1-10-9) to +(1-10-9)
or
-(1-2-36) to +(1-236)
|
BRL 1961, NATIONAL 102D, start page 0685
|
1 Computer, 2 Control Consol, 3 High Speed Paper
Tape Reader, 4 Magnetic Tape Units, 5 High Speed
Paper Tape Punch
Photo by The National Cash Register Company
ARITHMETIC UNIT
Manufacturer
Incl Stor Access Exclud Stor Access
Microsec Microsec
Add 7,800 4,000
Mult 21,100-49,100 15,000
Div 21,100-53,200 15,500
Construction Vacuum tubes
Rapid access word registers 8
Basic pulse repetition rate 100 Kc/sec
Arithmetic mode Serial
Timing Synchronous
Operation Sequential
STORAGE
Manufacturer Access
Media Words Digits Microsec
Magnetic Drum 1,024 43,008 12,500 avg
Magnetic Tape 102,000/reel 918,000/reel
Pitman-Dunn Laboratories
No. of No. of Min Access
Media Words Digits/Word Microsec
Magnetic Drum 1,032 14 octal or 390
9 decimal
Magnetic Tape 110,000 Same
Magnetic tape searches approx. 90"sec., reads writes
15"sec. (approx. 59 words/sec)
INPUT
Manufacturer
Media Speed
Paper Tape (Flexowriter) 10 char/sec
Paper Tape (Photoelectric) 200 char/sec
Magnwtic Tape 600 char/sec
Keyboard (Flexowriter) Manual
Punched Cards 4,000 char/min
Pitman-Dunn Laboratories
Keyboard or Paper Tape 6 char/sec
Hi-Speed Tape Reader 160 char/sec
Magnetic Tape 59 words/sec
IBM Card Reader 100 cards/min
Six channel Flexowriter is used. Cards contain 4 words each.
|
BRL 1961, NATIONAL 102D, start page 0686
|
Photo by The Rational Cash Register Company
OUTPUT
Manufacturer
Media Speed
Paper Tape (Flexowriter) 10 char/sec
High Speed Punch 60 char/sec
Magnetic Tape 600 char/sec
Punched Cards 4,000 char/min
Pitman-Dunn Laboratories
Typed Page 6 char/sec
Paper Tape (High Speed) 60 char/sec
Card (IBM) 100 cards/min
CIRCUIT ELEMENTS OF ENTIRE SYSTEM
Manufacturer
Tubes 425
Tube types 15
Crystal diodes 8,500
CHECKING FEATURES
Manufacturer
Duplicate recording on magnetic tape
"Overflow" alarm
"No command" alarm
POWER, SPACE, WEIGHT, AND SITE. PREPARATION
Manufacturer
Power, computer 7.7 Kw
Area, computer 250 sq ft
Weight, computer 2,700 lbs
Pitman-Dunn Laboratories
Power, computer 8.2 Kw 11.6 KVA 0.71 Pf
Power, air conditioner 61.5 KVA
Volume, computer 154.5 cu ft
Volume, air conditioner 2,318 cu ft
Area, computer 49 sq ft
Area, sir conditioner 206.5 sq ft
Room size, computer 19 ft x 39 ft
Room size, air conditioner 11 ft x 25 ft
Floor loading 84 lbs/sq ft
425 lbs concen max
Capacity, air conditioner 60 Tons 720,000 BTU
Weight, computer 4,110 lbs
Weight, air conditioner 6,600 lbs
Weight, cooling tower 2,500 lbs
Power includes Input-Output systems.
One 5 KVA and one 10 KVA Sol A transformers are used for
voltage regulation. Power outlets for main computer and auxiliary
equipment were installed. Air
|
BRL 1961, NATIONAL 102D, start page 0687
|
Photo by the Georgia Institute of Technology
conditioner services personnel and an analog computer also.
COST, PRICE AND RENTAL RATES
Manufacturer
Approximate cost of basic system $65,000
Approximate cost of additional equipment
Magnetic Tape Unit Model 126 $16,000
High Speed Reader Model 160 9,500
High Speed Punch Model 170 5,000
Flexowriter 2,900
Rental rates for basic system $2,400/month
Rental rates for additional equipment
High Speed Reader Model 160 275/month
High Speed Punch Model 170 220/month
Flexowriter 150/month
Pitman-Dunn Laboratories
Computer w/console, Flexowriter mag. tape unit, hispeed reader, hi speed
punch, including transportation and installation cost $83,370.
Off-line Flexowriter cost $2,900 additional.
IBM equipment includes 2-523's, 2-026's, 1-082, 1-085, 1-514, and 1-402,
which rents at $12,624/year.
Maintenance for purchased equipment is $12,624/year.
PERSONNEL REQUIREMENTS
Pitman-Dunn Laboratories
One 8-Hour Shift
Analysts 1
Programmers 2
Technicians 1
Operation tends toward closed shop.
Methods of training includes basic programming course and use of the
programming manuals. Programmers code and run their own problems.
The National Cash Register Company
One 8-Hour Shift
Supervisors 1
Coders, Programmers & Analysts 3
Technicians 1
Operation tends toward open shop. Individuals may have programs entirely
written by department personnel, written by themselves with assistance from
department, or written entirely by thwmselves. Individuals desiring running time
for a problem most commonly supply their own operator.
Methods of training used includes on-the-,job training of department
personnel, informal training of other research personnel.
RELIABILITY. OPERATING EXPERIENCE,
AND TIME AVAILABILITY
Pitman-Dunn Laboratories
Average error-free running period 4 Hours
Good time 26 Hours/Week (Average)
Attempted to run time 39 Hours/Week (Average)
Operating ratio (Good/Attempted to run time) 0.67
Abovefigures based on period 1 Apr 59 to 30 Apr 60
Passed Customer Acceptance Test Jan 58
Time is not available for rent to outside organiza-
tions.
4 hours of preventive maintenance is performed.
The National Cash Register Company
Good time 28.5 Hours/Week (Average)
Attempted to run time 32 Hours/Week (Average)
|
BRL 1961, NATIONAL 102D, start page 0688
|
High Speed Reader Photo by The Rational Cash Register Company
Operating ratio (Good/Attempted to run time) 0.89 Above figures based on
period from Jul 59 to Aug 60 Time is not available for rent to outside
organizations.
ADDITIONAL FEATURES AND REMARKS
Pitman-Dunn laboratories Outstanding features include 3 address
system, which is easy to use.
FUTURE PLANS
Pitman-Dunn Laboratories System expected to be replaced by
second quarter Fiscal Year 61 with system comparable with BETATRON
205, IBM 650, or UNIVAC Solid State.
|
BRL 1961, NATIONAL 102D, start page 0689
|
High Speed Punch Photo by The National Cash Register Company
INSTALLATIONS
Dow Chemical Company
Midland, Michigan
Rice Electronic Computer Center
Georgia Institute of Technology
Atlanta, Georgia
Research and Development Division
The National Cash Register Company
Dayton, Ohio
The National Cash Register Company
Hawthorne, California
Pitman-Dunn Laboratories
Frank ford Arsenal
Philadelphia, Pennsylvania
|
BRL 1961, NATIONAL 107, start page 0690
|
NATIONAL 107
National Cash Register Corporation Model 107
MANUFACTURER
National Cash Register Corporation
Photo by U. S. Naval Academy
APPLICATIONS
Located in Ward Hall, U. S. Naval Academy, the sys-
tem is used to demonstrate to Naval Academy faculty
and midshipmen, automatic calculations using a large
data processing/scientific type digital computer.
PROGRAMMING AND NUMERICAL SYSTEM
Internal number system Binary coded decimal
Decimal digits/word 11
Decimal digits/instruction 2
Instructions/word 1 + sign
Instructions decoded 22
Arithmetic system Fixed point
Instruction type Three address
Number range -(1 - 10-9) <= x <= 1-
The excess-three system of binary coded decimal
notation is used.
ARITHMETIC UNIT
Incl Stor Access
Operation Time Microsec
Add 15, 000
Mult 40,000
Div 40,000
Construction (Arithmetic unit only)
Vacuum-tubes 625
Diodes 2,040
Arithmetic mode Parallel
Parallel by bit, serial by digit.
Timing Synchronous
Operation Sequential
|
BRL 1961, NATIONAL 107, start page 0691
|
STORAGE
No. of No. of Access
Media Words Digits Microsec
Drum 11,000 121,000 3,000
Magnetic Tape
No. of units that can be connected 99 Units
No. of char/linear inch of tape 134 Char/inch
Channels or tracks on the tape 10 Tracks/tape
Blank tape separating each record 10 Inches
Tape speed 15 Inches/sec
Transfer rate 2,010 Char/sec
Start time 3 Millisec
Stop time 3 Millisec
Average time for experienced
operator to change reel of tape 120 Seconds
Physical properties of tape
Width 1 Inch
Length of reel 3,600 Feet
Composition Mylar or Acetate
All tape must initially be pre-clocked off-line.-
INPUT
Media Speed
Card (IBM) 100 cards/min
Magnetic Tape 15 in/sec, 121-char/in
Paper Tape 120 char/min
Keyboard (Flexowriter) Manual
OUTPUT
Media Speed
High Speed Printer 600 lines/min, 120 char/line
Magnetic Tape 15 in/sec, 721 char/in
Cards (IBM) 100 cards/min
Typewriter (Flexo) 720 char/min
Paper Tape 120 char/min
CIRCUIT ELEMENTS OF ENTIRE SYSTEM
Type Quantity
Tubes 800
Diodes 2,500
CHECKING FEATURES
Unwanted Digit
Command Check
Overflow
Conditional Halt
POWER, SPACE, WEIGHT, AND SITE. PREPARATION
Power, computer 208 Volts 3 phase 60 cps
Power, sir cond 208 Volts 3 phase 60 cps
Volume, computer 65,774 cu ft
Vole, air conditioner 726 cu ft
Area, computer 1,711 sq ft
Area, sir conditioner 18 sq ft
Room size, computer 1,800 sq ft
Capacity, air conditioner 15 Tons
Weight, computer 72,000 lbs
Weight, air conditioner 1,000 lbs
Building was modified for computer installation.
PRODUCTION RECORD
Number produced to date 1
Number in current operation 1
Produced for U. S. Navy Bureau of Aeronautics to their
design specifications.
COST, PRICE AND RENTAL RATES
Basic System Original cost, $1,000,000 to Navy BUAER (original
owner). System consists of control console, arithmetic section, high
speed printer, 8 magnetic tape units, and memory section.
Additional Equipment For the IBM 514, IBM 523, IBM 024, the
total rent is $108.00 per month (including educational discount
60%).
PERSONNEL REQUIREMENTS
One 8-Hour Shift
Supervisors 1
Operators 2
Technicians 3
Operation tends toward open shop.
Methods of training used is classroom and on-the-job training.
RELIABILITY, OPERATING EXPERIENCE,
AND TIME AVAILABILITY
Operating experience over four year period approximately 98%
of scheduled production at previous location in Washington, D.
C. (Navy Bureau of Weapons).
ADDITIONAL FEATURES AND REMARKS
Outstanding features are block search on tape handles at rate of
600 words/sec, off-line preparation and verification of tape input,
and large memory with maximum of 10 word access.
FUTURE PLANS
Addition of X-Y plotter and weapons system simulation for
educational purposes.
INSTALLATIONS
U. S. Naval Academy
Weapons Department
Annapolis, Maryland
|
BRL 1961, NATIONAL 304, start page 0692
|
NATIONAL 304
National Cash Register 304
MANUFACTURER
National Cash Register Company
Photo by National Cash Register Company
APPLICATIONS
Manufacturer
The system is a general-purpose date. processing system for
industrial, governmental and educational organizations. It is
intended for commercial and scientific applications. All
commonly-used inputs and outputs, a magnetic tape system with
unique characteristics, and flexibility in system organization
result in a powerful system with versatility of application.
U.S. Marine Corps, Camp Lejeune
Located on the base, the system is used for USMC
personnel accounting.
U. S. Marine Corps, Camp Pendleton
Located at the U. S. Marine Corps, Camp Pendleton the
system will be used to maintain current magnetic tape records
on approximately one half the Active and Organized Reserve
Establishments of the Marine Corps. Weekly, Changed Record
Tapes will be forwarded to Headquarters, Marine Corps to
overlay Headquarters' Tape Records. Headquarters will prepare personnel
reports for itself, Navy Department, and Department of Defense
from its Magnetic Tape Files. Meanwhile, this installation will
prepare "Field Personnel Reports" for 14 major field commands
in the western complex. (DPI, MCB, Camp Lejeune, North
Carolina performs the same function for the eastern complex,
i.e., the other half of the Marine Corps.) Implementation of the
system is scheduled for August 1960.
U.S. Marine Corps, Headquarters
Located at the Arlington Navy Annex, the system is
utilized for military personnel accounting.
The three U. S. Marine Corps NCR 304 Data Processing
Systems are utilized in an integrated Military Personnel
Accounting and Reporting System. The systems located in
California and North Carolina servicing the two major Marine
Corps bases and reporting to the system located in Washington
D. C.
|
BRL 1961, NATIONAL 304, start page 0693
|
Photo by National Cash Register Company
American United Life Insurance Company
Located at 30 W. Fall Creek Parkway, N. Dr. Indianapolis, Indiana, the
system is used to maintain Master Tape Files of policyholders, agents, payroll,
general ledger, mortgages, securities, update daily any transactions that affect
any master record or file, compute commissions, ,journalize daily - Maintain
accounting controls, balance books of account. Perform premium billing and
policy conservation advices, control disbursements, bank reconciliations,
and compute dividends, cash values, premiums, reserves, interest, etc.
S. C. Johnson & Son, Inc.
Located at 1525 Howe Street, Racine, Wisconsin, the system is used for
order processing, inventory control, accounts receivable, credit and
collection, freight allocation, sales statistics, and allied financial reports.
National Cash Register Company, Hawthorne
Located at the National Cash Register's Electronics Division, Hawthorne,
California, the system is used for electronic data processing service to business,
industry and government. Complete facilities for handling customer created
input - punched paper tape and cards. It is used for program check out for 304
customers. The system is used internally by the National Cash Register
Company for programming research, automated logical design, and data
processing. Back up support for other 304 systems is additional use.
Bureau of Yards and Docks
Located at the Bureau of Yards and Docks, Washington D. C., the system is
used for the management of the Military Construction Program, the inventory
of Automotive Equipment, the inventory of Construction Equipment, and for
engineering applications.
PROGRAMMING AND NUMERICAL SYSTEM
Internal number system Binary Coded Decimal
Alphanum char/word 10
Alphanum char/word 5 - 60
Words/instruction 1/2 - 6
Instructions decoded 83 one address
37 three address w/variations
Arithmetic system Floating point
MICROFLOW provides exponents in range of -50 to
+ 49 and automatic normalizing of result
Fixed point
Automatic alignment takes place
Instruction typeOne address (MICROFLOW)
(Scientific-type)
Three address (Multi-address)
(Business-type)
Number range- (1 - 10-10) to + (1 - 10-10)
|
BRL 1961, NATIONAL 304, start page 0694
|
Photo by American United Life Insurance Company
Instruction word format
The command structure of the 304 system is unique in a
number of aspects. The instructions are basically 3 address plus a
number of other functions or capabilities that are built into the
execution of the instruction. The basic instruction word format
for arithmetical operations such as add, subtract, etc., is
illustrated:
9 8 7 6 5 4 3 2 1 0
+-----+-----+-----+-----+-----+-----+-----+-----+-----+-----+
| Op | A | B | C |
+-----+-----+-----+-----+-----+-----+-----+-----+-----+-----+
+-----+-----+-----+-----+-----+-----+-----+-----+-----+-----+
| V | M | S | R | A1 | Ar | Bl | Br | Cl | Cr |
+-----+-----+-----+-----+-----+-----+-----+-----+-----+-----+
Op = Operation Code
A =Address of Operand
B =Address of Operand
C = Putaway or Jump Address
V = Variation.& Self-Linking designator
M =Auto-monitor level
S =Combinations of A, B, or C to be relative to
Index Register
R = Index Register
A1, Ar = left and right field of A Address
B1, Br = left and right field of B Address
C1, Cr = left and right field of C Address
The programmer in translating procedures for the 304 System
will use the NEAT (National's Electronic Autocoding
Technique) format. The programmer might write the following
to add the Old Quantity on Hand to the Number Received to
arrive at the New Quantity on Hand:
ADD (V) (R) OQOH QREC NQOH
The NEAT assembly process will translate the NEAT format
into the necessary absolute machine language.
It could be considered that all instructions in the basic 304
Command List are automatic built-in subroutines. There are a
number of operation codes that were designed specifically for
business data processing such as Edit, Merge, Move, Sift (or table
look-up), and Summarize that are powerful instructions and in
some cases are self-incrementing.
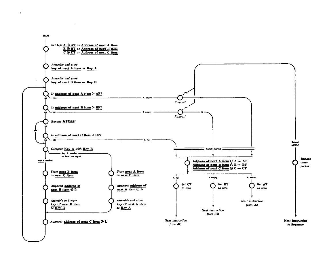
As an example, the Merge instruction will serve to illustrate
the nature of these business-type opera
|
BRL 1961, NATIONAL 304, start page 0695
|
Official Marine Corps Photo Camp Lejeune, N. C.
tions. Specified in NEAT format would be the following mnemonic designators
and parameters: Designate first word, first item, each string Number of items in
each string Relative position of Major Key (if any), within item Relative
position of Minor Key within item Number of keys (1 or 2) for the Merge
Length of each item Specify three exits (Cutoff Merge only)
NEAT (National's Electronic Autocoding Technique) was in operation before
the first deliveries of the National 304 System. This system enables systematic
organization in the approach to a problem, an assembly compiler and a complete
library of generators, service programs, and subroutines. COBOL or COBOL-like
language will become part of the system in a reasonable time.
Each instruction may be relative to one of 10 Relative Index Registers. The
particular Index Register and the portions of the instruction which are to be
relative are specified within the instruction.
ARITHMETIC UNIT
Operation Incl Stor Access Exclud Stor Access
Microsec Microsec
MICRO-FLOW SINGLE ADDRESS MODE
Add 120 60
Molt 1,320 1,260
Div 3,480 3,420
BUSINESS-TYPE THREE ADDRESS
Add 60 (10+R+L) 60 (9+R+L)
Mult 60 (17+R+L+X) 60 (16+R+L+X)
Div 60 (14+R+L+2Q+Y) 60 (13+R+L+2Q+Y)
R = 1 If relative to Index Register
R = 0 If not
L = 2 If self-linking occurs
L = 0 If not
X = Sum plus significant digits of multiplier
Q = Number of digits in quotient
Y = Sum of digits of the quotient
Construction (Arithmetic unit only)
Due to interlaced circuitry, number of elements are included in the total for the
304 Processor. Arithmetic mode Serial by word, parallel by character
The adder is implemented with two diode-matrix
half adders and one diode full adder.
TimingSynchronous in Central Processor
Asynchronous to or from peripheral units
|
BRL 1961, NATIONAL 304, start page 0696
|
Merge Flow Diagram
Operation Sequential internally Concurrent with
copy or search of magnetic tape or
printing
STORAGE
Manufacturer
No. of No. of Access
Media Words Alpha-Numeric Microsec
Magnetic Core 2400-4800 24,000-48,000 6/alphanum
Magnetic Tape, 850,000 8,500,000 2 1/2 min
per reel
No. of units that can be connected 64 Units
No. of chars/linear inch of tape 200 Chars/inch
Channels or tracks on the tape 8 Tracks/tape
(including parity and markers)
Blank tape separating each record None
Tape speed 150 Inches/sec
Transfer rate (alpha-numeric 30,000 Chars/sec
characters)
Start time
3.5 Millisec
Stop time 3.5 Millisec
Average time for experienced
operator to change reel 30 Seconds
Physical properties of tape
Width 1/2 Inch
Length of reel 3,600 Feet
Composition 1 mil mylar, laminated
The unique 304 magnetic tape system is composed of sub-
systems of National 330 Controllers and National 332 Magnetic
Tape Handlers. The Central 304 Processor may handle up to
eight 330 Controllers, and each Controller may handle up to
eight Handlers to provide an upper limit of 64 Handlers available.
A record on magnetic tape may contain 10 or more words.
Multiple variable-length records may be written onto magnetic
tape with a single acceleration. The contents of one magnetic
tape may be read and simultaneously written onto another tape
unit until a desired record is reached. The copying may be spar-i
with computing, printing, input or output. Several copy
operations may be in progress simultaneously.
All conditions which may arise during magnetic file
operations are automatically detected and identified by the
Processor without programmed testing. Then a standard routine,
called STEP (Standard Tape Executive Program), will perform
all tape management
|
BRL 1961, NATIONAL 304, start page 0697
|
Production Photo by National Cash Register Company
operations including: Repeat in case of error, write "Skip" record after proper
number of tries Repeat, or ,jump, on busy Handler or Controller Indicate
attempt to use locked-out tape Alternate Tape Units at end of tape Tape
identification, and label-checking Memory dump, and rescue points Log of
tape operations Executive control over sequencing from one program to the
next, or overlays
The time-sharing ability of magnetic tape copy allows for convenient file-
splitting, or multi-programming of different ,jobs where reference to the file is
for less than every record. Thus, completely independent programs can be
written and checked out, then tied together with the timing interlace being
performed by the equipment.
In order to improve the efficiency of Magnetic File Operations, any quantity
of numeric information may be packed from 6-bit code to 4-bit code with a
sin
gle instruction. Thus, utilization of tape storage, and transport speed, will
both be increased by 50'% for numeric information.
When the packed information is brought into memory, a single instruction
will reverse the transformation. Only that information requiring arithmetic
operation need be unpacked; sorting, table lookup, and all other logical
operations, can be performed
on packed information.
U.S. Marine Corps, Camp Lejeune Access
Medium No. of Words No. of Digits Microsec
Core Memory 2400 10 60/word time
U.S. Marine Corps, Camp Pendleton Magnetic
Core 2400
U.S Marine Corps, Headquarters Magnetic
Core 2400 Magnetic Tape 864,000
American United Life Insurance Company Magnetic Core
4800 Magnetic Tape 850,000
|
BRL 1961, NATIONAL 304, start page 0698
|
Official Marine Corps Photo Camp Pendleton, California
S. C. Johnson & Son, Inc. Access
Medium No. of Words No. of Digits Microsec
Magnetic Core 2400 10
National Cash Register Company, Hawthorne
Magnetic Core 4800 6/alpha-
num char
Magnetic Tape 1.08 million word/reel 3 min
(10 char/word)
Bureau of Yards and Docks
Magnetic Core 4800 48,000 60
Magnetic Tape may be considered as storage medium.
INPUT
Manufacturer
Media Speed
Punched Cards 2000 cards/min Photo-electric
Punched Paper Tape 1800 char/sec Photo-electric
Magnetic Tape 30 Kc alpha-numeric
Punched Cards and Punched Paper Tape may be handled on-
line with the 304 Processor or converted to magnetic tape with
the 320 Multi-Purpose Converter.
U. S. Marine Corps, Camp Lejeune
Media Speed
Magnetic Tape
Punched Cards
Flexowriter typing
Flexowriter Paper Tape
U.S. Marine Corps, Camp Pendleton
Magnetic Tape
Punched Cards
Console Typewriter
U. S. Marine Corps, Headquarters
Magnetic Tape
Punched Cards
Punched Paper Tape
Flexowriter
American United Life Insurance Company
Paper Tape Reader2,000 char/sec
Optical Reader - choice of 3 codes
Punched Card Reader2,500 cards/min
90 column cards - read optically
Magnetic Tape30,000 char/sec
200 char/in - 3,600' reels
Console Typewriter10 char/sec
Modified Flexowriter
|
BRL 1961, NATIONAL 304, start page 0699
|
Official Marine Corps Photo
S. C. Johnson & Son, Inc.
Media Speed
Magnetic Tape 30,000 char/sec
Punched Paper Tape 1,800 char/sec
Punched Cards 2,000 cards/min
Console Flexowriter 10 char/sec
National Cash Register Company, Hawthorne
NCR 380 Card Reader 2,000 cards/min
NCR 360 Paper Tape Reader 1,800 char/sec
Console 10 char/sec
Magnetic Tape 30,000 char/sec
The Paper Tape Reader can handle 6 codes. Three core
matrices are on the unit.
Bureau of Yards and Docks
Magnetic Tape 6 30,000 char/sec
3600 ft = 8.5 x 10 char
Paper Tape 1,800 char/sec
3 code option, 10 char/in
Punched Cards2,000 cards/min
1 card = 80 chars
Console Typewriter10 char/sec max.
Manual type-in or paper tape read
OUTPUT
Manufacturer
Media Speed
Punched Paper Tape 60 char/sec
Line Printer 850-1200 printing 850 alpha numeric
5040 spacing 1200 numeric
Punched Cards 100 cards/min (lines/min)
Magnetic Tape 30,000 char/sec
ThePaper Tape Punch or the High Speed Line Printer
may be controlled on-line by the 304 Processor or off-
line by the 320 Multi-Purpose Converter. The Line
Printer may also be controlled off-line by the 322
Printer Converter. Punched cards can be produced
off-line using an IBM 523 with source information on
magnetic tape and under control of the 320 Converter.
U.S. Marine Corps, Camp Lejeune
Magnetic Tape
Flexowriter typing & punching
Punch Cards
Printer
IBM Type 523 as IRK card output media
|
BRL 1961, NATIONAL 304, start page 0700
|
Official Marine Corps Photo Camp Pendleton, California
U.S. Marine Corps, Camp Pendleton
Media Speed
Printer
Punched Cards
Magnetic Tape
Console Typewriter
U.S. Marine Corps, Headquarters
Magnetic Tape
Printed Reports
Punched Cards (IBM 523)
Flexowriter
Punched card output is always off-line.
Magnetic tape speed is effective speed as there is no gap
between records.
American United Life Insurance Company
*High Speed Printer 600 lines/min alpha-numeric
900 lines/min numeric (1)
Paper Tape Punch 60 char/sec
Magnetic Tape 30,000 char/sec
Post reads all write
Console Typewriter 10 char/sec
* Interconnecting device permits both on-line and off-line
capability. Slews at 4,200 lines/minute.
S. C. Johnson & Son, Inc.
Media Speed
Magnetic Tape 30,000 char/sec
Punched Paper Tape 60 char/sec
Console Flexowriter 10 char/sec
High Speed Printer 600 lines/min
National Cash Register Company, Hawthorne
NCR 340 High Speed Line 600-900 lines/min
Printer
NCR 370 Punch Paper Tape 60 char/sec
IBM 514 Card Punch 100 cards/min
Magnetic Tape 30,000 char/sec
Card punch is used off line with the 320 Converter.
Bureau of Yards and Docks
Magnetic Tape 30,000 char/sec
3600 ft = 8.5 x 106to char.
Paper Tape 120 char/sec
2 code option, 10 char/in.
High Speed Printer 600-1200 lines/min
Console Typewriter 10 char/sec max.
Machine typeout or paper tape punch
The speed of the High Speed Printer varies and
depends on the amount of alphanumerical information
to be printed.
|
BRL 1961, NATIONAL 304, start page 0701
|
Official Marine Corps Photo Camp Pendleton, California
CIRCUIT ELEMENTS OF ENTIRE SYSTEM
Type Quantity
Diodes 8,000
Transistors 4,000
Magnetic Cores 158,400 - 316,800
24,000 to 48,000 Alpha-numeric characters
The above data applies to the Central Processor
only.
CHECKING FEATURES
FIXED
Processor
All transmission of data between the Processor and
peripheral units is checked for parity by character,
plus echo check for correct number of characters.
All transmission of data in and out of the magnetic
core memory is verified by a check character with
each word.
Magnetic File Operations
All recording on magnetic tape is immediately
checked by re-reading at a check head placed immedi-
ately behind the write head. Checks are made for
parity on each character, longitudinal parity check
over each record, character count on each record,
proper bounding of each record, and timing check.
These are separate, independent checks with any
conceivable out of the ordinary occurrence being
detected by at least 2 of these checks.
These same checks are in effect when reading and
while the tape to tape transfer (off-line copy is
in progress.
High Speed Paper Tape Reader
Duplicate photo-electric reading, duplicate trans-
lation, error halt on inadmissable characters, are
fixed checking features as well as automatic detec-
tion of paper tape slippage, undue drifting on stops,
and broken tape detection - distinguished from end
of tape.
High Speed Card Reader
The fixed checking features are duplicate photo-
electric reading and duplicate translation, error
halt on inadmissable characters, and also automatic
verification of clocking and column count, and de-
tection of out-of-registration or slippage.
High Speed Line Printer
Automatic check for non data characters, correct
|
BRL 1961, NATIONAL 304, start page 0702
|
Official Marine Corps Photo Camp Pendleton, California
number of characters, correct number printed, and each hammer
must fire one and only once per line. Continuous check on the
integrity of information stored in the printer buffer during
printing, each buffer position printed once and only once-also
each hammer. Continuous magnetic reading of special track on
print cylinder so that printer electronics "knows" the position of
the cylinder with answer-back to printer buffer verifying that the
print cylinder position at the moment each hammer is fired is the
same as the character stored in the corresponding buffer position.
There are two complete individual sets of circuits operating at
different voltages-one from buffer positions to activate
corresponding hammers and one activated by hammer action
back to buffer position. This answer-back verifies not only
correct character printed but also that the hammer was fired at
the precise instant to print the character clearly and with proper
alignment. The vertical format loop will halt the printer if it is
parted. Also, all control configurations (15 possible in the
vertical format loop must have even parity, continuously
checked.
High Speed Paper Tape Punch
Fixed checking features include echo check off punch dies
to verify actual character punched and detection of paper
tape exhausted or broken.
OPTIONAL
The Paper Tape Reader and Paper Tape Punch check for
character parity on codes that are checkable.
Certain peripheral units contain sequence-controlled circuitry to
test for proper operation and insure proper electronic functioning.
POWER, SPACE, WEIGHT, AND SITE. PREPARATION
Manufacturer
Power, computer, basic system 38.5 Kw 48.1 KVA 0.8 pf
Power, air condi, package 12 Kw 15 KVA 0.8 pf
Volume, computer 630.2 cu ft
Area, computer 133.2 sq ft
Room size 1,200 sq ft
Above includes basic system with Tape Controller,
six Tape Handlers, a Line Printer and a Card Reader.
Vole, air conditioner 400 cu ft
Area, air conditioner 50 sq ft
Room size, computer 120 sq ft
|
BRL 1961, NATIONAL 304, start page 0703
|
Capacity,. air conditioner 15 Tons
Weight, computer 10,850 lbs
Weight, Air conditioner 2,000 lbs
Floor loading 110 lbs/sq ft
Weight is distributed around perimeter of frames.
Site preparation requirements
The specific site preparation requirements will vary from
installation to installation, depending on available facilities,
"show case" considerations, and policy.
General requirements for physical environment include air
conditioning, humidity control, and provisions for maintenance
of equipment. There can be flexibility in construction as
pertains to the use of false flooring, ceilings, or conduits. It is
usually recommended that false flooring be used, as the area
under the false floor serves the dual purpose of protecting cables
and eliminates supply ducts for conditioned air. A false ceiling
eliminates the need for return ducts. The power specifications
call for 120208 volts, three-phase, four
wire, 60 cycles.
U.S. Marine Corps, Camp Lejeune
Power, computer 43-76 Kw 54.7 KVA 0.8 Pf
400 N Power 18.24 Kw 22.8 KVA
Power, air cond 11.0 Kw 12.2 KVA
Volume, computer 630 cu ft
Volume, air conditioner 32,630 cu ft
Area, computer 147 sq ft
Area, air conditioner 2,190 sq ft
Capacity, air conditioner 27 Tons
Weight, computer 15,000 lbs
Weight, sir conditioner 5,000 lbs
Air conditioning space partitioned off from existing
warehouse. False ceiling and new raised-floor designed expressly
for computer installation was provided. A remote installation
including compressors, sir handling units, and evaporative
condenser was installed. A new electrical service including 225
KVA transformers capacity installed.
U.S. Marine Corps, Camp Pendleton
Power, computer 35.5 Kw 44.4 KVA 0.8 pi
Power, sir condi 32.2 Kw 4o.4 KVA 0.8 pf
Vole, computer 635.2 cu ft
Volume, sir conditioner 455 cu ft*
Area, computer 147.0 sq ft
Area, sir conditioner 51 sq ft*
Roam size, computer 1,860 sq ft
Room size, air conditioner350 sq ft
Floor loading 96 lbs/sq ft (Avg)
155 lbs concen max
Capacity, air conditioner 25 Tons
Weight, computer 13,150 lbs
Weight, air conditioner 7,200
*Does not include air filtering equipment or input output
plenums.
Site is located in a warehouse building. False ceiling, false
flooring, air conditioning, power substation installed. Data
Processing Installation covers 14,000 sq ft and includes EAM
equipment, office space, card and paper storage space, rest
rooms, as well as NCR 304 EDP Equipment. Total cost
$175,000.
U.S. Marine Corps, Headquarters
Power, computer46.48 Kw 58.1 KVA o.8 pf
6o cps and 400 cps.
Power, air condi 28 Kw 35 KVA 0.8 pf
Volume, computer 15,200 cu ft
Vole, air conditioner3,360 cu ft
Area, computer 1,900 sq ft
area, air conditioner 280 sq ft
Room sizeBetween 1600 and 2000 sq ft
Floor loading 250 lbs/sq ft
Floor loading, computer100 lbs/sq ft
Capacity 25 Tons
Weight, computer 12,950 lbs
Site was installed in a brick building with con-
crete floors. Completely, overhead air conditioning
delivery concealed by false ceiling. Raised false
flooring far concealment of power and logic cables.
American United Life Insurance Company
Power, computer 38.5 Kw 48.1 KVA 0.8 pf
(basic system)
Volume, computer 650 cu ft
Volume, air conditioner600 cu ft
Area, computer 150 sq ft
Area, sir conditioner 200 sq ft
Room size, computer 2,000 sq ft
Roam size, air conditioner600 sq ft
Floor loading 110 lbs/sq ft
Capacity, air conditioner30 Tons
Weight, computer 11,000 lbs
Weight, air conditioner3,000 lbs
Site preparation requirements Due to the physical structure of
the existing building, the location of the computer area within the
building, and the requirement for a separate airconditioning system,
the following additions and modifications were made at this site. A
30 ton airconditioning and air handling system was installed
composed of three ten ton chilled-water coolers and an air
handling system capable of moving 9,000 cubic feet of sir per
minute. This system provided for automatic temperature and
humidity controls geared to control the computer room to 40%
relative humidity. and 74oF temperature. The control system was
built around Johnson Controls with Bristol seven-day recording
devices. Air was delivered directly under the raised floor with
dampered registers around the periphery of the room to properly
distribute the incoming conditioned air. Return air was vented
through the ceiling in registers into an air plenum between the false
ceiling and the existing ceiling and returned to the air-conditioning
equipment. The raised floor was set ten inches above the concrete
slab. The false ceiling was installed eight and one-half feet above
the raised floor, and in the location selected was twenty inches
below the previously existing ceiling. A masonry wall was
contructed two feet inside the existing brick and masonry walls of
the building and supplemented by movable steel and glass partitions
where the room was divided away from exterior walls. The raised
floor is of cast aluminum in sections eighteen inches square with a
vinyl floor covering. Power and water were delivered to the
equipment room from existing central supply within the building
itself. The computer area itself has been equipped with Muzak
installation and an intercommunicating system utilizing the
existing speakers.
S. C. Johnson & Son, Inc.
Power, computer 70 KVA
Power, sir conditioner20 KVA
Volume, computer 740 cu ft
Area, computer 160 sq ft
Area, air conditioner300 sq ft
Room size, computer1,300 sq ft
Room size, air conditioner 700 sq ft
Capacity, air conditioner20 Tons
Site preparation included trenching of floor to provide
ducts and cable to equipment.
|
BRL 1961, NATIONAL 304, start page 0704
|
National Cash Register Company, Hawthorne
Power, computer 44 Kw 55 KVA 0.8 Pf
Power, air condition 24 Kw 30 KVA 0.8 pf
Vole, computer 790 cu ft
Volume, air conditioner 800 cu ft
Area, computer 166 sq ft
Area, air conditioner 100 sq ft
Room size, computer 1,800 sq ft
Room size, air conditioner 240 sq ft
Floor loading 110 lbs/sq ft
Capacity, air conditioner 30 Tons
Weight, computer 13,560 lbs
Weight, air conditioner4,000 lbs
Site included along with construction of new building in 1956.
False flooring has been installed to support a 304, 320, 330, 9-
332x, 340, 360,370, 380, and 514.
Bureau of Yards and Docks
Power, computer 32.0 Kw 40 KVA 70% min pf
Volume, computer 10,440 cu ft
Volume, air conditioner 4,536 cu ft
Area, computer 1,305 sq ft
Area, sir conditioner 432 sq ft
Room size, computer 59 ft 4 in long
22 ft 0 in wide
8 ft 0 in high
Room size, air conditioner 12 ft 4 in wide
35 ft 0 in long
10 ft 5 in high
Floor loading 250 lbs/sq ft
Capacity, air conditioner 30 Tons
Weight, computer 12,950 lbs
New cinder block building of 2,556 square feet was built to
house the data processor.
PRODUCTION RECORD
Number produced to date 6
Number in current operation 6
Number in current production 14
Number on order 23
Anticipated production rates 2 per month
Time required for delivery18 months
COST, PRICE AND RENTAL RATES
Manufacturer
Model Monthly Purchase
No. Component Rental Price
304 Data Processor includ- $5,730 $366,600
ing Control Console
(2,000 Word Memo plus
400 Special Words
304 Data Processor includ- 6,560 420,000
ing Control Console
(4,000 Word Memo plus
800 Special Words
304-2 Data Processor includ- 6,240 399,200
ing Control Console
(2,000 Word Memo plus
400 Special Words; with
Micro-Flow, Magnetic Char-
acter Input, & Multiple
Printer Output
304-2 Data Processor- including 7,070 452,600
Control Console (4,000
Word Memory plus 800
Special Words); with Micro-
Flow, Magnetic Character
Input, & Multiple Printer
output
320 Universal Off-line $1,970 $126,000
Converter
322 Off-line Printer Converter 710 45,000
330 Magnetic Tape Controller - 1,740 111,000
30 KC
332 Magnetic Tape Handler-30 KC 415 26,300
340 High-Speed Line Printer 1,940 124,300
340-2 High-Speed Line Printer 1,970 126,225
351 Typewriter Printer (Extra) 70 3,400
354-2 Card Punch Buffer 600 28,800
355-2 Sorter Buffer 700 33,550
360 High-Speed Paper Tape 510 32,800
Reader
370 High-Speed Paper Tape Punch 280 17,800
380 High-Speed Punched Card 490 31,100
Reader
402-1 Magnetic Character Sorter1,700 62,000
Maintenance/Service Contracting
Maintenance and service will be furnished to suit the individual
needs and schedules of each installation. On lease arrangements,
the cost of maintenance is included in the rental rates. Where the
equip
ment is purchased, a maintenance contract is available.
U.S. Marine Corps, Camp Lejeune
Basic System
Components Monthly Rental
1 Jul6o - 30Jun 61
304 Data Processor includ- $5,730
ing Console (2400 word
memory)
320 Universal Converter 1,970
340 High Speed Printer 1,940
330 Magnetic Tape Controller 1,740
380 High Speed Punched Card 490
Reader
332 Magnetic Tape Handler at
$520.00 each
at $415.00 each 2,075
---------
$13,945
Additional Equipment
Type 523 Summary Punch $ 75
Maintenance and service provided by contractor at no additional
charge when renting.
U. S. Marine Corps, Camp Pendleton
Rental contracting and rates for basic system
Monthly rental rate effective 1 July 1960 - $13,945.
304 Data Processor (1) $5730 - 330 Mag Tape Controller (1)
$1740 - 340 Printer $1940 - 320 Converter (1) $1970 - 332 Mag
Tape Handler (5) $2075 - 380 Card Reader $490.
Additional equipment
IBM 523 Card Punch - $88 per month.
Maintenance performed by NCR personnel; cost included in
monthly rental. U. S. Marine Corps, Headquarters
Eff 1 Jul 60
304 Data Processor including $5,730
Console (2400 word memory)
320 Universal Converter 1,970
340 High Speed Printer 1,940
330 Magnetic Tape Controller 1,740
332 Magnetic Tape Handler, 8 at 3,320
$415.00 each
380 High Speed Punched Card Reader 490
523 IBM Gang Summary Punch 85
Total monthly rental for 176 $15,275
hours usage
Maintenance and service contracting included in rental
costs.
|
BRL 1961, NATIONAL 304, start page 0705
|
S. C. Johnson & Son, Inc.
Component Price
304 Processor including Console $356,800
330 Controller 111,000
340 Printer 109,400
322 Printer Controller 37,300
332 Magnetic Tape Unit (9) 204,300
360 Paper Tape Reader 19,600
370 Paper Tape Punch 15,700
National Cash Register Company, Hawthorne Monthly
rental contracting and rates for basic system are 304 Processor
(4800 words) $6560 - 320 Multi Purpose Converter $1970 -
330 Mag. Tape Controller $1740 - 370 Paper Tape Punch $280 -
380 Punched Card Reader $490 - Nine (9) Mag. Tape Handlers
at $415 each $3735 - 340 High Speed Line Printer $1940 and a
360 Paper Tape Reader $510.
Additional equipment includes a Universal Interconnecting
Device and a Paper Tape Rewinder and
Splicer.
Bureau of Yards and Docks
Monthly Rental
Data Processor $6,560
Magnetic Tape Controller - 30 Kc 1,740
Magnetic Tape Handler - 30 Kc2,905
High Speed Line Printer 1,940
Add. Typewriter Printer 70
High Speed Paper Tape Reader 510
High Speed Paper Tape Punch 280
High Speed Punched Card Reader490
Total Approximate Monthly Rent $14,495
PERSONNEL REQUIREMENTS
Manufacturer
Since the National 304 System is a new system with the first
installation in November, 1959, at the present writing it is
difficult to determine normal personnel requirements. It is
anticipated that the advanced solid-state design and overall
system fabrication will result in most favorable operating
experience. The early performance of the initial systems has
borne this out.
It is expected that a typical 304 System can be maintained
by 3 or 4 engineer-technicians. Two and three shift operation
will require some increase.
Training made available by manufacturer to users includes
initial and turnover replacement training and executive
orientation. These are provided at no cost to the user at
mutually agreeable locations.
U.S. Marine Corps, CampLejeune
one 8-Hour shift
Used Recommended
Supervisors 1 1
Programmers 3 5
Librarians 2 2
Operators 3 4
Engineers 6 6
Tape Handlers 2 2
Contractor provides Programmer School periodically.
Contractor provides representative to assist in initial stages of
implementation.
U.S. Marine Corps, Camp Pendleton
One 8-Hour Two 8-Hour Three 8-Hour
Shift Shifts Shifts
Used Recomm Recommended Recommended
Supervisors * ** **
Analysts 1 1*
Programmers 3 3 3-Prim only 3-Prim only
Librarians 2 2 1 per shift 1 per shift
Operators 3 3 2-Prim; 1-2d 1 per shift
Tape Handlers 2 2 1 per shift 1 per shift
All of our programmers, operators, and tape handlers are equally
proficient at programming and operating and we intend to
perpetuate this versatility. Librarians are trained on the job for
programmer/ operator work.
* - Officer-in-charge and Supervisor on Prime
Shift.
** - Senior Enlisted Programmer/Operator present
is Shift Supervisor.
*** - Requires increase in T/0 of one person.
Operation tends toward closed shop.
Methods of training used includes formal training by
manufacturer and on-the-job training at the site.
U.S. Marine Corps, Headquarters
One 8-Hour Two 8-Hour Three 8-Hour
Shift Shifts Shifts
Used Recom Recommended Recommended
Supervisors 1 1 1 1
Librarians 1 1
Operators 1 1 1 1
Engineers 7 7 0
In-Output
Oper 1 1 1 1
Tape Handler 2 2 2 2
Above personnel requirements are shown for Computer System
operating personnel only. The number of analysts programmers,
coders and clerks is dependent on the peculiarities of the
accounting or reporting system to be placed on the computer.
The number of engineers presently being used to operate one
shift would stay the same if the operating period was expanded to
two shifts. For a three shift operation engineers would be on an
"on-call" basis for the third shift.
Operation tends toward open shop.
Methods of training used includes Equipment Manufacturers
School and on-the-,job training for operating personnel.
American United Life Insurance Company
One 8-Hour Shift
Supervisors 1
Analysts, Prog. & Coders 7
Clerks 1
Librarians 1
Operators 2
Engineers NCR
Technicians NCR
In-Output Oper 24
Tape Handlers 2
Since the equipment was installed only on 2 May 60, and
because it has been used primarily for program testing, it is
impossible to make intelligent personnel distributions. Since
production operating time is required for information of this type
it will be some time before valid figures can be accumulated.
Operation tends toward open shop.
Methods of training used include two methods, a formalized
programming school, instruction for which was provided by The
National Cash Register Company, and on-the-,job training for
the additional personnel
|
BRL 1961, NATIONAL 304, start page 0706
|
required. The training of operating personnel was handled by
the user with the advice of the manufacturer as required.
S. C. Johnson & Son, Inc.
One 8-Hour Two 8-Hour
Shift Shifts
Supervisors 1 1
Librarians 1 2
Operators 1 2
In-Output Oper 1 2
Tape Handlers 1 2
Operation tends toward open shop.
Methods of training includes on-the-,job training and a
Programming School.
The above pertains to requirements for operations.
Systems and Programming Staff for maintenance of existing
system and future applications consists of 1 Program Supervisor, 4
Programmers, 1 System Planning Coordinator, and 2 Systems
Men.
National Cash Register Company, Hawthorne
One 8-Hour Shift
Supervisors 1
Programmers- Analysts - Coders 15
Clerks 2
Operators 2
Engineers-Technicians 6
In-Output Oper 1
Operation tends toward closed shop.
Methods of training used includes programing courses
and on-the-,job training.
Bureau of Yards and Docks
One 8-Hour Shift
UsedRecommended
Supervisors 4
Analysts 7 8
Programers 7 12
Clerks 1
Librarians 1
Operators 1 4
Operation tends toward closed shop.
Training classes have been held on site.
RELIABILITY, OPERATING EXPERIENCE,
AND TIME AVAILABILITY
Manufacturer
Reliability and optimum operating experience were basic
design objectives with the 304 System. The latest electronic
developments and solid state devices have been used
throughout. Design tolerances are set beyond those of"worst
case" conditions of heat, voltage fluctuation and aging.
Standardized plug-in cards are used throughout as well as etched
circuit back panels to replace wiring harnesses and cables.
Units are separately powered and contain circuitry which
performs a sequence of automatic reliability tests to insure
proper operation or to isolate for replacement of circuit cards.
Individual units have extensive features to insure reliability as
stated in Checking Features. The High Speed Paper Tape Reader
and the High Speed Paper Tape Punch which can handle different
codes by switch selection, have a programmable check on the
proper code. A mode of the Test instruction can insure that the
proper switch is set.
U. S. Marine Corps, Camp Lejeune
Good time45.6 Hours/Week Average
Attempted to run time52.2 Hours/Week Average;
Operating ratio (Good/Attempted to run time) 0.87
Above figures based on period 1 Apr 60 to 29 Apr 60
Passed Customer Acceptance Test 4 Mar 60
Time is not available for rent to outside organiza-
tions.
During period measured above the system was not afforded
perfect temperature and humidity environment due to air
conditioning equipment deficiency. Break-down of Computer
time - April 1960
Primary Shift 241.0 Hrs
Production (*) 182.5 Hrs
Down 10.8 Hrs
Idle 22.1 Hrs
Re-run 25.6 Hrs
* Production total breaks down as follows:
Operational Use Time for Rental Purpose 161.3 Hrs
Lunch Time Opr, not subject to rental 7.4 Hrs
Set-up Time, not subject to rental 13.8 Hrs
U. S. Marine Corps, Camp Pendleton
Average error-free running period 39.48 Hours
Good time36.5 Hours/Week Average
Attempted to run time.48 Hours/Week Average;
Operating ratio (Good/Attempted to run time) 76 to 1
Above figures based on period1 Feb 60 to 30 Apr 60
Passed Customer Acceptance Test 14 Jan 60
Time on 2d and 3d shifts is available for rental to
outside organizations.
U.S. Marine Corps, Headquarters
Time will be made available to other government agencies
only and on a pro-rated cost basis. Time will be on an "as
available" basis.
System was turned over for Marine Corps use on 12 May
60.
American United Life Insurance Company
Average error-free running period 2 weeks +
Good time 79.3 Haws/Week (Average
Attempted to run time 80 Hours/Week (Average)
Operating ratio (Good/Attempted to run time) 0.991
Above figures based on period2 May 60 to 25 May 60
Passed Customer Acceptance Test 2 May 60
Time is not available for rent to outside organiza-
tions.
The amount of time available for the accumulation of the
information requested is too short to prove of much validity.
The experience to date has shown that the system is
surprisingly solid and that a high ratio of operating time can be
expected.
S. C. Johnson & Son, Inc. Passed Customer Acceptance
Test 10 Jun 60 Time is available for rent to outside
organizations.
Bureau of Yards and Docks
Good time 294 Hours
Attempted to run time 302 Hours
Operating ratio (Good/Attempted to run time) 0.9733
Above figures based on period 11 Jul 60 to 9 Aug 60
Passed Customer Acceptance Test 11 Aug 60
Time is not available for rent to outside organiza-
tions.
|
BRL 1961, NATIONAL 304, start page 0707
|
ADDITIONAL FEATURES AND REMARKS
Manufacturer
Outstanding features include a magnetic tape system which is
gapless, with timesharing of off-line tapeto-tape transfer (copy)
while searching. High InputsPaper Tape - 1800 cps. Punched cards
fed at 2000 cpm. Command structure is powerful for ease of
coding and debugging.
The 304 System has complete off-line conversion facilities -
for input and output transcribing. However, the input speeds of
1800 characters per second for paper tape and 2000 punched
cards per minute are so favorable that many businesses will find it
unnecessary to go through off-line input conversion. For
example, 30,000 transactions of 30 characters each would require
only eight and one-half minutes of processing time when reading
paper tape on-line. Transcribed transactions could be read from
magnetic tape by the Processor in about one half a minute. So the
off-line input conversion would not save more than eight minutes
a day.
An extensive library of programs were accomplished and ready
for use with the installation of the first 304 System. National's
Electronic Autocoding Technique --NEAT-- was developed to
reduce coding costs and to simplify programming. The purpose of
NEAT is to simplify the transition from flow chart to machine
code without losing any of the flexibility and power of the actual
304 instructions. It enables systematic organization to a problem.
Coding in NEAT can be thought of as the translation of a 304 flow
chart into pseudo instructions, employing mnemonic addressing.
The result of processing NEAT on a 304 computer, is a completed
machine code, which may be produced on magnetic tape, punched
cards, or punched paper tape. In the course of the computer run,
automatic code checking is done for obvious inconsistencies.
COBOL or COBOL-like language is being added to the NEAT
process. STEP, the program which takes advantage of the internal
logic to handle magnetic file housekeeping, is also in operation.
Other programs that are available are a Sort Generator, Librarian,
monitoring, tracing, and programs to facilitate program check-out.
Procedures for magnetic tape labelling, storing, shipping, and
protection from humidity, temperature, electrical, fire, or other
damage are the normal procedures and care that are customary
for mylar-magnetic tape.
U. S. Marine Corps, Camp Lejeune
Outstanding features include off-line copy operation for
simultaneous processing and read/write, maximum storage of data
per reel of tape, and high speed card reading.
Unique system advantages include ease of operation by means
of a console, which gives system control and components with a
minimum number of controls, a 320 Multipurpose Converter for
off-line operations, NEAT - a coding technique, which simplifies
programming, and a monitor feature which simplifies
codechecking.
Tape labelling is performed by means of STEP, (Standard
Tape Executive Program), which labels tape and checks
obsolescence of tapes before use.
U. S. Marine Corps, Camp Pendleton
Outstanding features are high speed card reader, high speed
printer, and transistorized solid state computer.
Unique system advantages are no inter record gap on
magnetic tape and a built-in business command structure.
Procedures have been adopted for magnetic tape labelling,
storage, shipping, and protection from humidity, temperature and
physical, electrical, fire, or other damage. Two labels are used;
one containing permanent identification, and the other
containing information of a temporary nature. Tape is stored in a
library which is temperature and humidity controlled. A semi-
automatic C02 system has been installed for fire protection. Afire
proof safe will be used to house Historical Tapes.
U.S. Marine Corps, Headquarters
Outstanding features include no inter-record gaps on tape.
This allows an effective read-write speed of 30 K per second,
and the ability to address any character or number of characters
of a word in storage.
Unique system advantages include transistorized
components, which bring about low power and air
conditioning requirements, and thereby reduces installation
costs.
Procedures have been adopted for magnetic tape labelling,
storage, shipping, and protection from himidity, temperature
and physical, electrical, fire, or other damage. Tapes are stored
in an air conditioned area. Shipment of tape is made in "netic"
containers. Any two of three installations can reconstruct
tapes of the third. Both outside labelling on reel and writing on
tape for positive identification of all records is performed.
American United Life Insurance Company
The NCR 304 System features matched cabinets, console
simplicity, input-output computing compatibility, operating
ease, transistorized construction, interchangeable components,
and up-to-date design philosophy.
The system features variable record length, dual search
capability, absence of inter-record gaps, read-back of write
magnetic tape, built-in magnetic tape executive routines,
mnemonic autocoding techniques, and full checking devices for
input, output, and computing.
Procedures have been adopted for magnetic tape labelling,
storage, shipping, and protection from humidity, temperature and
physical, electrical, fire, or other damage. These procedures defy
brief description but are available for those interested upon
request.
The general design and philosophy of the NCR 304 System is
based upon the known and proven requirements of business and
industry. The philosophy of the system and the compatibility of
input, output, and computing make it possible to obtain the
maxim amount of flexibility in the operating procedures of the
using organization.
National Cash Register Company, Hawthorne
Outstanding features include high input speeds, ease of
programming, console designed for operator, and a magnetic
tape system.
Unique system advantages include a gap-less magnetic tape
system, off line copy, automatic read back after write. STEP-
combination of circuitry and programming to handle magnetic
tape housekeeping. NEAT Autocoding System - COBOL being
incorporated. Emphasis on reliability and checking of data
movements.
Normal procedures for properly handling mylar
magnetic tape have been adopted.
This was the first in operation of the several National Data
Processing Centers. There is a 304 Center in New York City and a
Center in Dayton, Ohio.
|
BRL 1961, NATIONAL 304, start page 0708
|
Bureau of Yards and Docks
Outstanding features include ease of programming and
program testing.
A procedure for labelling, storage, temperature and
humidity protection and fire has been adopted.
FUTURE PLANS
Manufacturer
While retaining all of the previous features and specifications
of the initial 304, an improved model will be available starting in
the Fall of 1960. The Central Processor has been designated as
the 304-2, and will have MICRO-FLOW, Magnetic Character
Input, and allow multiple high speed line printing as output
MICRO-FLOW is a new mode of single-address operation that
essentially expands the instruction repertoire from 37 to 104
instructions. This new mode of operation does not in any way
supplant the powerful, business-type instructions. MICRO-FLAW
is designed for scientific computation, permitting fixed or floating
point arithmetic, and for areas of operation when the single-
address mode might be faster or more efficient. The single-address
MICRO-FLOW and the three-address business-type instructions
may be intermixed within a single program, switching from one to
the other to provide the most efficiency.
Magnetic Character Input can be provided with the use of the
304-2 Central Processor in conjunction with the National 402-1
Magnetic Character Sorter. Checks or documents encoded with
magnetic ink characters may be read at the rate of 750 documents
per minute. There will be input of the information into the
Processor memory, control over pocket selection, and ,jump table
control for unusual situations. The Magnetic Character Sorter can
be used off-line to sort documents as controlled by a panel on the
Sorter.
For high-volume output operations, the 304-2 Central Processor
will enable multiple printers on-line, up to four National 340 High
Speed Line Printers. Buffering and Busy Jumps will enable a
maximum of timesharing.
U.S. Marine Corps, Camp Pendleton
It is proposed that
the number of NCR 332 Magnetic Tape Handlers be increased
from 5 to 8, that the NCR 304 Memory Size be increased from
2,400 to 4,800 words, i.e., 24,000 to 48,000 characters, and that the
number of computer applications be increased from Personnel
Accounting only, to that of Fiscal Accounting (including
Disbursing functions) and local Supply Accounting.
American United Life Insurance Company Future plans
with regard to this system include the possibility, at the proper
time, of expanding the existing system to include additional
magnetic tape units, and perhaps another high speed printer.
Procedurally new applications will be added as desired. We are
looking forward to performing operations on research, market
analysis, and a more thorough analysis of sales and determining
standards of sales performance.
INSTALLATIONS
U. S. Marine Corps Base
Camp Lejeune, North Carolina U. S.
Marine Corps Base Camp Pendleton,
California U. S. Marine Corps,
Headquarters Washington 25, D. C.
Bureau of Yards and Docks
Department of the Navy
Washington 25, D. C.
American United Life Insurance Company
Indianapolis, Indiana
The National Cash Register Company
Hawthorne, California
S. C. Johnson & Son, Inc.
Racine, Wisconsin
U. S. Navy New York Naval Ship d
Brooklyn 1, New York (Proposed)
U. S. Air Force, Headquarters, Strategic Air Command
Offutt Air Force Base, Nebraska
|
BRL 1961, NATIONAL 304, start page 0709
|
|
BRL 1961, NATIONAL 315, start page 0710
|
NATIONAL 315
NATIONAL 315
MANUFACTURER
The National Cash Register Company
Photo by the National Cash Register Company
APPLICATIONS
The National 315 System has broad application in all types
of business and scientific data processing. Modular assembly of
components permits a wide range of system organization from
low-cost systems up to large-scale capabilities. New design
concepts and features provide maximum versatility and
flexibility in application.
PROGRAMMING AND NUMERICAL SYSTEM
Internal number system Binary coded decimal
Decimal digits/word 3 (or 2 alphanumeric
characters
Decimal digits/instruction 6
Words/instruction 2 or 4
Instructions decoded 90 plus variations
Arithmetic system Fixed point (Field lengths
up to 24 digits)
Instruction type One-address-roughly 1/3
of instruction list
Two address- roughly 2/3
of instruction list
Number range positive: 24 digits
negative: 23 digits
Specimen of single-stage instruction (two words):
+-----------+-------+---+-------+-----------+
| Op | V | L | X | A |
+-----------+-------+---+-------+-----------+
| A D D | M | 3 | 2 3 | 1 0 0 |
+---+---+---+---+---+---+---+---+---+---+---+
ADD TO MEMORY:Memory address is "100" + (contents
of index register 23).
Field length is 3 words.
Op, V, L, X are condensed by bit-wise coding into one word.
A forms the second word.
Specimen of single-stage instruction using a "literal"
+-----------+-------+---+-------+-----------+
| Op | V | L | X | A |
+-----------+-------+---+-------+-----------+
| A D D | | | D | 2 0 0 |
+---+---+---+---+---+---+---+---+---+---+---+
ADD TO ACCUMULATOR the digit-field "200".
+-----------+-------+---+-------+-----------+
| Op | V | | X/Y | A/B |
+-----------+-------+---+-------+-----------+
| L D | | | 1 2 | 9 9 9 |
+---+---+---+---+---+---+---+---+---+---+---+
| | | | 1 5 | 0 0 6 |
+---+---+---+---+---+---+---+---+---+---+---+
LOAD six Index Registers, starting with R15; two words
into each register.
|
BRL 1961, NATIONAL 315, start page 0711
|
Photo by the National Cash Register Company
R15 loaded from memory address "999" + (contents of R12 )
Rl6 loaded from memory address "1001" + (contents of R12).
--etc-
OP, V, X, Y are condensed by bit-wise coding into first and
third words. A forms the second word. B forma the third
word.
Specimen of double-stage instruction using a "literal"
+-----------+-------+---+-------+-----------+
| Op | V | | X/Y | A/B |
+-----------+-------+---+-------+-----------+
| S L D | R | | D | 0 0 0 |
+---+---+---+---+---+---+---+---+---+---+---+
| | | | 1 0 | 0 2 0 |
+---+---+---+---+---+---+---+---+---+---+---+
SPREAD-LOAD 20 Index Registers, starting with R10
Load zeros into every register from R10 through R29.
Automatic built-in subroutines include Scan, Move, etc. Load,
Spread-load, Store, Move, Augment, Spreadaugment: multiple
registers.
Automatic coding using COBOL will be available for use with
delivery of the first system. In addition, an intermediate
language - NEAT assembler-compiler is available for direct
coding, and for optimization of object program after COBOL
translation.
Registers and B-boxes include 32 Index Registers of 5 digits
each and 32 Jump Registers of 5 digits each. This includes
automatic storage of 3 different link addresses. The Sequence
Control Register (Instruction Counter) is completely addressible.
Automatic input-output tallies are used.
The entire system capable of any degree of polysynchronous
operation, wherein any designated collection of peripheral units
may each Demand program attention whenever appropriate.
Demand interrupt is subject to a simple, flexible system of
priorities, and to master control which may forbid interrupt
altogether whenever desired.
Automatic program-tracing facilities for code checking
are included.
Paper Tape and Punched Card input share all time except
actual transmission of each character. Paper Tape, Punched
Card and Printer output do the same.
ARITHMETIC UNIT
Incl. Stor. Access Exclud. Stor. Access
Microsec Microsec
Add 42 36
Mult 294 minimum
Div 1,044 minim
Arithmetic mode 3 digits parallel
Timing Asynchronous
Operation Concurrent and Polysynchronous
Peripheral units operate asynchronously with processor
STORAGE
No. of No. of
Media Words Digits Microsec
Magnetic Cores 2,000 to 6,000 to 6 per word
40,000 120,000
Magnetic Tape
No. of units that can be connected 8 Units
No. of chars/linear inch 200, 333 & 500 Chars/inch
Channels or tracks on the tape 7 Tracks/tape
Blank tape separating each record 3/4 Inch
Tape speed 120 Inches/sec
Transfer rate 24K, 40K, 60K Chars/sec
Start time 3 Millisec
Stop time 3 Millisec
Average time for experienced
operator to change reel 20 Seconds
Physical properties of tape
Width 1/2 Inch
Length of reel 3,600 Feet
Compositionmylar, 1 mil, laminated
|
BRL 1961, NATIONAL 315, start page 0712
|
INPUT
Media Speed
Paper Tape 1,000 char/sec
Any codes whatever, without limit. Inter-character
time is sharable.
Punched Cards 400 cards/min
Any possible codes, including binary. Inter-char-
acter and inter-card time is sharable, with Demand
Interrupt
Magnetic Character Reader 750 documents/min
Polysynchronous, with Demand Interrupt
Buffered Inquiry Units 333 KC alphanumeric
Each Inquiry Unit may be multiplexed to many re-
mote Inquiry Stations, limited only by acceptable
queueing. Polysynchronous.
OUTPUT
Media Speed
Line Printer 600 lines/min alphanumeric
900 lines/min numeric
Buffered, sharable, with Demand Interrupt ability.
Paper Tape Punch120 chars/sec
Any code whatever. Inter-character time sharable.
Card Punch100 or 250 cards/min
Same as Printer
Buffered Inquiry Units333 KC alphanumeric
Same as for input.
Line Printer has Multiple Listing Feature to enable simultaneous
printing of three separate listings, each with independent paper
transport. An interconnecting device is available to permit push-
button switching of peripherals from one 315 Peocessor to
another, in mufti-processor installations.
CHECKING FEATURES
Checking features include complete parity-checking
throughout the entire system.
PRODUCTION RECORD
Number produced to date 1
Anticipated production rates 7 per month initially
COST, PRICE AND RENTAL RATES
PRICE LIST
Monthly
Price Rental
315-1 Basic Processor $82,500 $1,300
315-2 Bank Processor 90,000 1,400
315-3 File Processor 90,000 1,400
315-4 Bank File Processor 95,000 1,500
316-1 2,000 Word Memory 37,500 650
316-2 5,000 Word Memory 55,000 1,100
316-3 10,000 worn Memory 75,000 1,600
332-202 40 kc magnetic Tape Unit 27,500 700
332-203 60 kc Magnetic Tape Unit 36,000 900
340-3 High Speed Printer with
357-1 Buffer 72,500 1,425
354-1 Card Punch Buffer 25,000 450
355-1 Sorter Buffer 23,500 450
362-371 Paper Tape Reader and
Punch 15,000 450
383-1 Punched Card Reader 20,000 450
PERSONNEL REQUIREMENTS
Training made available by manufacturer to users include a
complete schedule of courses in programming, systems analysis,
autocoding, COBOL, etc. All courses are available on the
customer's premises.
|
BRL 1961, NATIONAL 315, start page 0713
|
ADDITIONAL FEATURES AND REMARKS
Outstanding features include a wide range of
capacity and price with modular components, giving
wide provision for future expansion and the Demand
Interrupt feature so that under permissive program
control peripheral units may interrupt, be reacti-
vated, and continue their operation independently
while the Processor returns to the primary program.
This processor is unusually economical of memory
space for program storage.
In multi-processor installations, all processors
are the same with only one coding system. Work may
be divided among processors at convenience of user,
and each provides on-site backup for the other.
Peripheral units may be electronically switched
from one processor to another.
Normal procedures for magnetic tape handling are
recommended.
FUTURE PLANS
Future plans include one and two degrees of Mag-
netic tape simultaneity, a new concept of random
access memory - magnetic cards, optional high-speed
inputs, including paper tape at 1800 char/sec and
punched cards at 2000 cards/min, and intercommuni-
cation, with master-slave relationship among multiple
processors.
|
BRL 1961, NATIONAL 390, start page 0714
|
NATIONAL 390
National Cash Register Company Model 390 Computer
MANUFACTURER
National Cash Register Company
Photo by National Cash Register Company
APPLICATIONS
System is designed to handle all types of accounting records,
reports, and statistics, paper tape sorting (Direct and Sequential),
engineering calculations, and linear programming problems
(Limited to 10 x 15 matrix or less
PROGRAMMING AND NUMERICAL SYSTEM
Internal number system Binary Coded Decimal
Decimal digits/word 12
Decimal digits/instruction 12
Instructions per word 1
Instructions decoded 27
Arithmetic system Fixed point
Instruction type Four address
Number range From - 1 x 109 to + 9 x 109
Instruction word format
+-----------+-------+----------+-----------+----------+----------+
| Instruc- | Mode | Address | Address | Address | Address |
| tion | | A | B | C | D |
| | | | +----------+ |
| | | Operand | Operand | Modifi- | Next |
| | | | | cation | Instruc- |
| | | | | | tion |
+-----------+-------+----------+-----------+----------+----------+
Two decimal digits each
Automatic built-in subroutines include block transfer, and sum and
add pairs of numbers. Variable block instructions perform some
functions similar to B-boxes.
ARITHMETIC UNIT
Operation Incl Stor Access
Time Microsec
Add 11,000
Mult 250,000
Div 400,000
Above times are "worst case". Because of the 4 address
system, command times all include access and storage.
Arithmetic unit is constructed of 48 cores, with
transformers and diodes.
Arithmetic mode Serial
Timing Synchronous
Operation Sequential
STORAGE
No. of No. of
Media Words Digits Access
Core 200 2400 22 microsec/bit
Magnetic Ledger 200 digits 200 220 char/sec
Cards
Variable word length on magnetic cards
|
BRL 1961, NATIONAL 390, start page 0715
|
INPUT
Media Speed
Paper Tape (Photoelectric) 400 char/sec
Punched Card (IBM 024 or 026) 18 char/sec
Magnetic Ledger Card 220 char/sec
Speed of reading and writing depends on card length. The
average is 1.5 to 2.0 sees. Console Keyboard (Standard)
The Magnetic Ledger Card is a standard ledger card with
standard visible posted information on the front and strips of
magnetic tape on the back capable of storing up to 200 digits of
information pertaining
to that account.
OUTPUT
Media Speed
Paper Tape 17 char/sec
Punched Card 18 char/sec
Magnetic Ledger Cards Same as input
Accounting Machine Printer 1200 char/min
The Accounting Machine type printer is completely
programmable both horizontally and vertically. It will
accommodate continuous forms, ,journals, cut forms, and
ledger cards all simultaneously, if desired and has all accounting
machine.checking, comparing, and accumulating features.
CIRCUIT ELEMENTS OF ENTIRE SYSTEM
Type Quantity
Diodes 4,000
Transistors 1,150
Magnetic Cores 9,792
14 vacuum glow triodes are used as indicators.
CHECKING FEATURES
Among the fixed checking features are a 5 bit parity check,
reader and punch check, power supply tolerances auto check, a
print-out check, and ledger card read-write failure indicators are
used. Test points are available on all logical circuits.
POWER, SPACE, WEIGHT, AND SITE. PREPARATION
KVA, computer 4.8 KVA 1 phase 240v
Area, computer 78 sq ft
Room size 10 ft x 15 ft
Floor loading 20 lbs/sq ft
40 lbs concen max
Weight, computer 1,000 lbs
1,500 lbs, total
PRODUCTION RECORD
Number produced to date 6
Number in current operation 6
Number on order 100+
Anticipated production rates 600 - 700 annually
Quantity production will commence in the first quarter
of 1961.
COST, PRICE AND RENTAL RATES
Monthly
Basic System Price Rental
390-3 Console and Central $56,300 $1,395
Processor
361-1 Paper Tape Reader 10,000 250
461-2 Tape Recorder 1,735 50
Additional Equipment
381-1 Punch Card Reader Coupler $ 2,250 $ 60
468-1 Punch Card Coupler 815 27
417 Paper Tape Rewinder-Splicer 1,215 30
361-2 Paper Tape Reader
Maintenance service is included in the rental price, or is
approximately 5 to 6% of purchase price annually.
PERSONNEL REQUIREMENTS
A typical installation will require a combination supervisor and
programmer, an operator, and possibly one clerk. The number of
input operators would depend on the volume and type of input
media and the method of creating it, e.g. by-product of necessary
parent machine operation, off-line separate operation, etc.
RELIABILITY, OPERATING EXPERIENCE,
AND TIME AVAILABILITY
Acceptance test specifies 40 hours continuous operation without
failure or error. Tests are run under extreme marginal
conditions.
ADDITIONAL FEATURES AND REMARKS
Outstanding features include magnetic ledger cards,
accounting machine printer, 4 address system, internally stored
program, decimal coding, and desk size. The unique Magnetic
Ledger Card which combines visible, auditable, historical
information posted on the front, with machine language
encoded on the back. Up to 200 characters of information
pertaining to each account can be stored on the back of each
card. The magnetic ledger philosophy provides unlimited
external storage facility and immediate random access to a
complete, up-to-date historical record.
FUTURE PLANS
Future plans include alphanumeric s, a document sorter
(MICR) input, optical document and ,journal readers,
automatic ledger handling, increased speed and capacity, and
a high speed printer.
|
BRL 1961, NORC, start page 0716
|
NORC
Naval Ordnance Research Calculator
MANUFACTURER
International Business Machines Corporation
Photo by U. S. Naval Weapons Laboratory
APPLICATIONS
General scientific calculation in ordnance research, development
and testing. Primary effort has been devoted to scientific
computation, including satellite surveillance data reduction,
orbital computation, missile ballistics, reactor design, war game
simulation. A small portion of the time is spent on business type
data reduction and computation.
PROGRAMMING AND NUMERICAL SYSTEM
Internal number system Binary coded decimal
Decimal digits/word 16
Decimal digits/instruction 16
Instructions per word 1
Instructions decoded 80
Instructions used 80
Arithmetic system Floating or fixed point
Instruction type Three address
Number range 10-43 to 10+31
A number may be written as
+- x.xxxx xxxx xxxx . 10xx
ARITHMETIC UNIT
Exclud Stor Access
Microsec
Add 15
Mult 31
Div 227
ConstructionVacuum tubes and diodes (switching)
Rapid access word registers 2,000
Basic pulse repetition rate 1 Mc/sec
|
BRL 1961, NORC, start page 0717
|
Photo by U. S. Naval Weapons laboratory
Arithmetic mode Serial
Timing Asynchronous
Operation Concurrent
Multiplication and division are partly performed in parallel.
Operation time depends on decimal indices.
STORAGE
No. of No. of Digits Access
Media Words (decimal) Microsec
Magnetic Core 20,000 16 per word 8
Magnetic Tape 40,000,000 Variable
The core memory was built by Daystromi Instrument
Corp. and installed in March 1960. Original memory
was a 2,000 word Williams CRT System with same word
size and access time. The magnetic tape system can
read or search forward and backward and write for-
ward.
INPUT
Media Speed
Magnetic Tape (8) 70,000 dec dig/sec
Keyboard Manual (Serial)
Eight tape units are in service. The packing density on
magnetic tape is 500 char/inch, the linear speed is 140
inches/sec. 0.5 inch tape is used.
OUTPUT
Media Speed
Magnetic Tape (8) 70,000 dec dig/sec
Mechanical Printers (2) 150 lines/min 07 mechanisms
CRT-Microfilm Printer
and Plotter 15,000 char/sec
Built by Strombery Carlson; uses Charactron CRT; installed
in 1958.
|
BRL 1961, NORC, start page 0718
|
CIRCUIT ELEMENTS OF ENTIRE SYSTEM
Tubes 9,800
Tube types 20
Crystal diodes 30,000
Separate cabinets 6
CHECKING FEATURES
Fixed checks include: Bit count modulo-4 check on each
word transfer Modulo-9 arithetic check Illegitimate character
check Word-length and block-length check on tape reading.
POWER, SPACE, WEIGHT, AND SITE PREPARATION
Power, computer 138 Kw 145 KVA 0-95 Pf
Power, air condit 70 Kw 100 KVA 0.70 Pf
Above figures are estimated. Area in existing concrete building
was remodeled. Special 12" raised floor used to cover sir ducts
and cable raceway. 40 ton closed circuit air conditioner used
for main racks. 25 ton system used for auxiliary equipment
and roam cooling. Main computer room approximately 2,000
sq ft, power supply 500 sq ft, air conditioner 700 sq ft and
shops 700 sq ft.
PRODUCTION RECORD
Produced l
Operating 1
COST, PRICE AND RENTAL RATES
$2,500,000 is the cost of the machine as above described
(without core memory and CRT printer) plus Card-Tape-
Card Converter.
Additional costs were the Core Memory at $500,000 and the
CRT Printer at $200,000. Total for the system is $3,200,000.
FUTURE PLANS
The IBM 7090 System and the IBM 1401 System will
supplement the computer capability of the Naval Weapons
Laboratory.
INSTALLATIONS
U. S. Naval Weapons Laboratory
Dahlgren, Virginia
PERSONNEL REQUIREMENTS
7 Day/Week
Three 8-Hour Shifts
Supervisors 1
Analysts, Programmers, Coders 40
Clerks 4
Operators 13
Engineers 2
Technicians 10
In-Output Oper 12
Operation tends toward closed shop. Methods of training used
includes primarily on the Job training, except that for the 7090
System to be installed, advantage is being taken of available
instruction from UK.
RELIABILITY, OPERATING EXPERIENCE,
AND TIME AVAILABILITY
Average error-free running period 1.2 Hours
Good time 133 Hours/Week (Average)
Attempted to run time 144 Hours/Week (Average)
Operating ratio (Good/Attempted to run time) 0.925
Above figures based on period 1 Jan 60 to 30 Jun 60
Passed Customer Acceptance Test June 1955
Time is available for rent to qualified outside or-
ganizations.
Time, when available, is used by Defense contractors as well as
government agencies.
This machine is exceptionally well checked, both internal
and with regard to input-output. Most errors can be corrected
immediately by the machine operator with practically no lost
time. Sine installation of core memory, error free period is
close to 2 hours.
ADDITIONAL FEATURES AND REMARKS
Outstanding features include long worm length, high
arithmetic speeds, high tape speeds, checking features, CRT
printer, three address logic, and ease of programming.
Magnetic tape stored in computer room in metal cabinets.
Since the tape is not compatible with other units there is no
reason for it to leave the completely controlled climate of this
area. Acetate base tape is used.
Speed increased by taking short cuts in case of zero operands
and through the use of previous result as an operand. Provisions
for addition, subtraction, and shifting of instruction words make
possible programmed synthesis of instructions. A large variety of
conditional program transfer instructions are available. Three
address-modifier registers make possible the modification of
operand addresses without changing the stored instruction. Card-
tape-card conversion is used.
|
BRL 1961, NORC, start page 0719
|
|
BRL 1961, NORDEN VOTE TALLY, start page 0720
|
NORDEN VOTE TALLY
Norden Electronic Vote Tallying System Model 2602
MANUFACTURER
United Aircraft Corporation
Borden Division
Data Systems Department
Photo by Norden Division, United Aircraft Corp.
APPLICATIONS
The Borden Vote Tallying System is a special purpose electronic
system used to tally paper ballots at high speed. Votes are
accumulated by candidate and issue in a magnetic core memory,
and totals are output to a printer-punch unit. A short length of
punched paper tape is used to instruct the processor as to the
ballot width, color and format before ballots are read. This same
tape establishes the punch-out sequence. Two mechanical paper
handlers are attached to a processor. A ballot handler feeds
ballots in a fixed length of 24" and varying from 9" to 30" in
width at 10 ballots per second. Up to six ballot widths may be
individually selected by paper tape instruction without manual
intervention.
The ballots are not mechanically registered. The processor
contains the necessary skew interpolation circuitry to compensate
for a misaligned ballot. This circuitry is shared by the two ballot
handlers. Only one ballot handler feeds ballots at a time. While
one ballot handler is feeding and totals are being accumulated, the
second ballot handler is being reloaded with a spindled tray of
ballots and totals are being transmitted for the stack of ballots
previously read. The alternate use of the ballot handlers permits
the continuous processing of ballots. Each ballot is examined for
acceptability in accordance with the Election Code to accept only
valid votes. Overvoted offices and incorrectly voted recall issues
or recall candidates are not accepted,
|
BRL 1961, NORDEN VOTE TALLY, start page 0721
|
Photo by Norden Division, United Aircraft Corp.
but all valid votes are accepted to update totals. This analysis
and updating occurs prior to the reading of the next ballot.
PROGRAMMING AND NUMERICAL SYSTEM
Internal number system Binary and Binary Coded
Decimal
Digits per word 3 decimal, 4 binary, 1 parity
Digits/instruction one alpha per instruction
Instructions decoded 14 instructions
Arithmetic system Fixed point
Each operation is defined by an alpha instruction
character.
Number range 000 to 999 for each of 540 totals
One alphabetic character defines an instruction operation. For
example, one character, followed by appropriate designators,
instructs system on specific locations of voting squares on the
ballots to be read. Another alphabetic character initiates the
actual reading of ballots- Instructions are read from punched paper
tape and are executed in sequence as read from the tape.
Essentially all operations in the system are builtin subroutines.
These include updating of the totals in memory as each ballot is
read, checks on overvoting, punch-out of candidate totals, etc.
All programming is in direct instructions.
Registers include instruction register, memory in-out register,
ballot mark input registers, and punch encode register.
ARITHMETIC UNIT
Add time is 33 microseconds, including storage
access, 6.6 for the actual add operation only.
Arithmetic operation of updating totals after read-
ing each ballot is an automatic subroutine.
Timing Synchronous, within data processor
Operation Sequential
Arithmetic mode Serial
STORAGE
No. of No. of Access
Medium Words Digits Microsec
Magnetic Core Memory 600 17 bits 3 to 4
INPUT
Media Speed
Punched Paper Tape 60 char/sec
8-channel tape
(7 information plus parity)
Paper Ballots 10 ballots/sec
Ballots can be up to 30" wide, 24" long.
|
BRL 1961, NORDEN VOTE TALLY, start page 0722
|
OUTPUT
Medium Speed
Cards (80-Column) 18 columms/sec
System uses IBM 526 Printer-Punch
CIRCUIT ELEMENTS OF ENTIRE SYSTEM
Type Quantity
Tubes
5651 2
6199 20
Diodes
DR-385 Approximately 3,500
1N770 Approximately 1,000
Miscl. Approximately 200
Transistors
2N426 Approximately 3,000
2N388 Approximately 600
Miscl. Approximately 300
Magnetic Cores 10,800 in each of two memories
Voltage regulator tubes used as reference tubes, in power
supplies.
Photomultiplier tubes in optical reading heads.
Follow-on systems will use 1N770 diodes.
Each memory has 18 core planes (one spare), with 10
columns, 60 rows in each.
Cores are General Ceramics.
Data is for Model 2602 Tyro-handler system.
CHECKING FEATURES
Checking features include paper tape parity, column read,
ballot jam, memory parity, format pickup, precinct number
agreement, power supply monitoring, double-punch and blank-
column detection, and ballot clock-track check.
POWER, SPACE, WEIGHT, AND SITE PREPARATION
Power, computer 4.5 to 5 0.90 pf
Power includes tape reader and output card punch.
One system, employing two ballot handlers, requires
approximately 1,200 sq ft of floor area. Total installation load
for system is approximately 15,000 pounds. Data processor
weighs approximately 2,000 pounds; each ballot handler, about
5,200 pounds. Operator consoles and output printerpunches
account for remainder. Floor should be capable of supporting
distributed load of 300 pounds square foot. Site preparation
requirements for each system include air compressor, an air fan
to provide high-volume low-vacuum air, and a vacuum pump for
high-vacuum pressure.
Ballot handlers operate alternately in reading ballots. While
reading, drive motors in ballot handler draw approximately 20
KVA from 220-Volt 3 phase line. Air compressor, low-
vacuum fan, and high-vacuum pump, required for each system,
draw about another 20 KVA per full system from 220-Volt 3
phase line.
PRODUCTION RECORD
Number produced to date 1
Number in current operation 1
Time required for delivery 12 months
Production of additional systems to be started soon for
use in elections of 1962 and 1964.
COST, PRICE AND RENTAL RATES
Model 2602 System (2 Model 610 Ballot Handlers, 2
Model 620 Control Consoles, 1 Model 640 Data Processor
cost approximately $600,000.
A slightly smaller system, Model 2601 System (1 Model 610
Ballot Handler, 1 Model 620 Control Console 1 Model 630
Data Processor), cost approximately $375,000.
Maintenance contract, issued on annual basis, will be available
from the manufacturer.
PERSONNEL REQUIREMENTS
Training made available by the manufacturer to
the user include programming and operator training.
Typical election requires two console operators, and requires
three ballot personnel per ballot handler. Total of 8 people per
system per shift, plus one supervisor for the entire facility
(which may be multiple-system facility).
RELIABILITY, OPERATING EXPERIENCE,
AND TIME AVAILABILITY
System employs solid-state construction throughout to attain
reliability, and employs modular assembly techniques to facilitate
rapid isolation and replacement of malfunctioning module.
Indicator lights on each control console provide information on
status of each component unit of system.
|
BRL 1961, NORDEN VOTE TALLY, start page 0723
|
ADDITIONAL FEATURES AND REMARKS
System reads voter-marked ballots at rate of 10 ballots per
second, and tallies ballots in accordance with election codes.
Checks for over-voting, and provides for candidate rotation on
ballots. Output totals are punched into cards; no manual
transcriptions of totals from counters is required. System
eliminates long hours of manual tallying of ballots at individual
precincts. Handles variety of sizes of ballots. Output cards can
be processed by conventional card equipment.
INSTALLATIONS
Los Angeles County, California
|
BRL 1961, NUMERICORD, start page 0724
|
NUMERICORD
Numericord Machine Tool Director
MANUFACTURER
Concord Control, Incorporated
Photo by Concord Control, Incorporated
APPLICATIONS
The Numericord Director System is the Giddings & Lewis
Machine Tool Company's numerical, continuouspath control
system for automatically and electronically controlling a wide
variety of multi-axis machine tools. Numericord is the
registered trademark of the Giddings & Lewis machine Tool
Company, Fond du Lac, Wisconsin.
PROGRAMMING AND NUMERICAL SYSTEM
Internal number system Binary Coded Decimal
Decimal digits/instruction 43
Arithmetic system Fixed point
Timing Synchronous
Operation Sequential
The Numericord Director System utilizes a fixed word
length; instruction format and program for all computations.
STORAGE
No. of No. of Access
Medium Words Digits Microsec
Magnetic Core Memory 44 334 10
INPUT
Medium Speed
Paper Tape 600 lines/sec
Utilizes high speed photo-electric one inch wide
tape reader for input.Input system can also be
modified to accept the magnetic tape output of a general
purpose computer in lieu of the punched tape.
|
BRL 1961, NUMERICORD, start page 0725
|
OUTPUT
Medium Speed
Magnetic Tape Continuous at 60 in/sec
Output information is continuous phase modulated
quantized analog control signals on one inch, 14
channel magnetic tape. Magnetic tape output is
used as permanent information storage medium be-
tween director system and machine tool. Director
system can also be modified to control machine
tool directly without magnetic tape storage.
CIRCUIT ELEMENTS OF ENTIRE SYSTEM
Type Quantity
Tubes 600
Diodes 5,000
Transistors 300
Magnetic Cores 300
CHECKING FEATURES
Fixed self-checking features indicate location of errors to
one or more of approximately 12 system areas.
POWER, SPACE, WEIGHT, AND SITE. PREPARATION
Bower, computer 6 Kw 9 KVA 0.66 pf
Volume, computer 250 cu ft
Area, computer 45 sq ft
Weight, computer 4,600 lbs
No special site preparation required. System designed for
operation in any normal office environment.
PRODUCTION RECORD
Number in current production 8 in United States
COST, PRICE AND RENTAL RATES
Director, Power Supply, and Tape Recorder cost
approximately $225,000.
Tape preparation desk cost approximately $25,000.
System is normally not available for rental or lease.
Users maintenance personnel are fully trained at
manufacturer's plant prior to system installation.
PERSONNEL REQUIREMENTS
One 8-Hour Two 8-Hour Three 8-Hour
Shift Shifts Shifts
Used Recom Used Recom Used Recom
Operators 1 1 2 2 3 3
Technicians 1 1 2 2 3 3
Operation tends toward open shop.
Equipment operation is relatively simple. Initial personnel are
trained on the ,job by manufacturer. Additional personnel can be
quickly trained on the ,job as required.
The Numericord Director is a special purpose digital computer
and although it is sometimes programmed manually, programs
are normally prepared by a large general purpose computer.
When used in this fashion the Numericord system can usefully be
described as a piece of special purpose off-line peripheral
equipment used in conjunction with a number of large general
purpose computers.
Normal personnel requirements for the system usually consist of
a trained operator and a trained electronic technician who is on
call but not necessarily present at the equipment at all times.
Programming is done by the regular data processing department
mathematical programming section.
ADDITIONAL FEATURES AND REMARKS
Purpose - provides fully automatic control of complete
work cycles for general-purpose machine tools having as many
as five simultaneous axes of movement.
Operation - places all machine movements and auxiliary
functions under control of a magnetic tape program which is
prepared electronically from numerical data off part drawings.
Significance - provides a "store" of skills which makes
workpiece accuracy a function of engineering and methods
planning completely independent of machine operator's
experience.
Application - while capable of automatically operating any
type of machine tool, optimum effectiveness is achieved on
multiple-axis, three-dimensional contouring machines.
Machine Scope - controls standard machine movements to
generate such geometric shapes as straight lines, circles, ellipses
and spirals or any shape that can be mathematically defined or
arbitrarily set up in three-dimension coordinates.
Accuracy - tolerances obtainable with the Numericord
System of machine control range from ¤ .0005" to ¤ .001" on
the largest and most intricate workpiece. No cumulative error.
FUTURE PLANS
For several years this system has been used primarily by the
aircraft and missile industries. Modifications and adaptations of
the system are now being designed for special applications in
precision plane and contour map making, coordinatography,
precision plotting, flame cutting, X-ray inspection, and riveting.
INSTALLATIONS
Republic Aviation Corporation, Farmingdale, Long
Island, New York
Giddings & Lewis Machine Tool Company,
Fond du Lac, Wisconsin
Boeing Airplane Company
Wichita, Kansas
Convair, Division of General Dynamics Fort
Worth, Texas
Convair, Division of General Dynamics San
Diego, California
Lockheed Aircraft Corporation
Burbank, California
North American Aviation Inc.
Los Angeles, California
Go To Table of Contents